remanuel
Registrierter Benutzer
- 26.02.23
- 15.01.09
- 199
- 788
Hallo Leute,
ich besitze von einem alten Ampeg BA300 eine sehr wahrscheinlich noch intakte Vorstufe.
Siehe hier:

Sieht auf jeden Fall noch einwandfrei aus, da es bei den BA300 ja wohl immer wieder dazu kommt dass die digitale Endstufe abraucht, habe ich mir gedacht ich rette einfach den Preamp oder mache daraus eines meiner "Pimp My Basscombo" Projekte (Wäre dann der dritte Teil, Teil 2 folgt noch, der ist nämlich leider seeeeehr detailliert geworden ^^).
Hier mal noch ein Bild welches ich aus dem Web habe von einem fast vollständig zusammengebauten Ampeg BA300 mit kleinen Anmerkungen:

Meine Idee war es einfach die Vorstufe mit entsprechenden Trafos für HV (Röhrensektion) und NV (Preamp) zu befeuern, den eigentlichen "Effects Loop" abzugreifen und mit einer Klinkenbuchse in ein neu gebasteltes Gehäuse zu installieren.
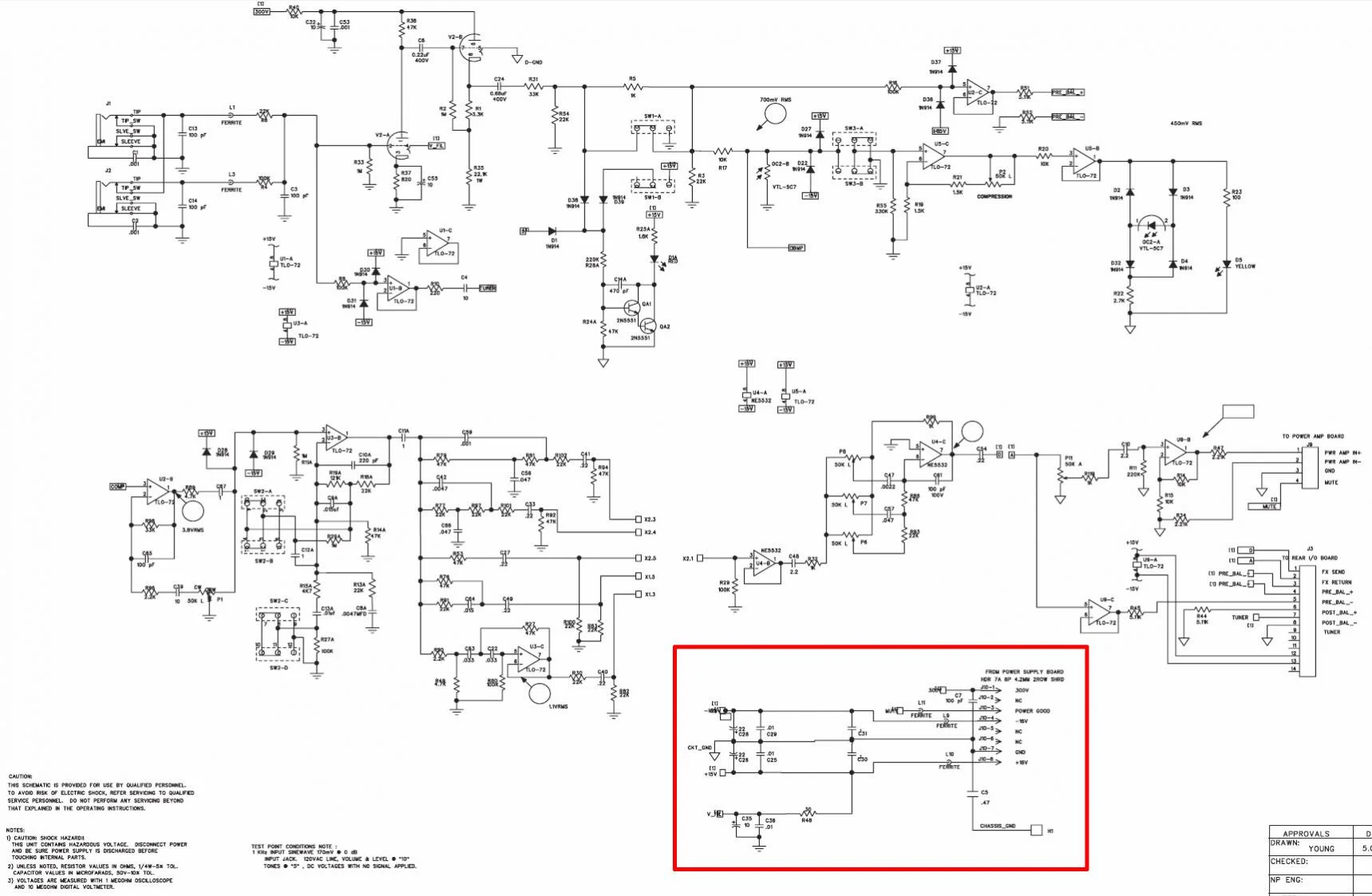
Dazu noch folgender Schaltplan des Preamp-Boards:

Ich bin leider kein Elektroniker und habe auch in meinem Maschinenbaustudium nur sporadisch das lesen von Schaltplänen behandelt... allerdings scheint mir der rot gekennzeichnete Bereich interessant...
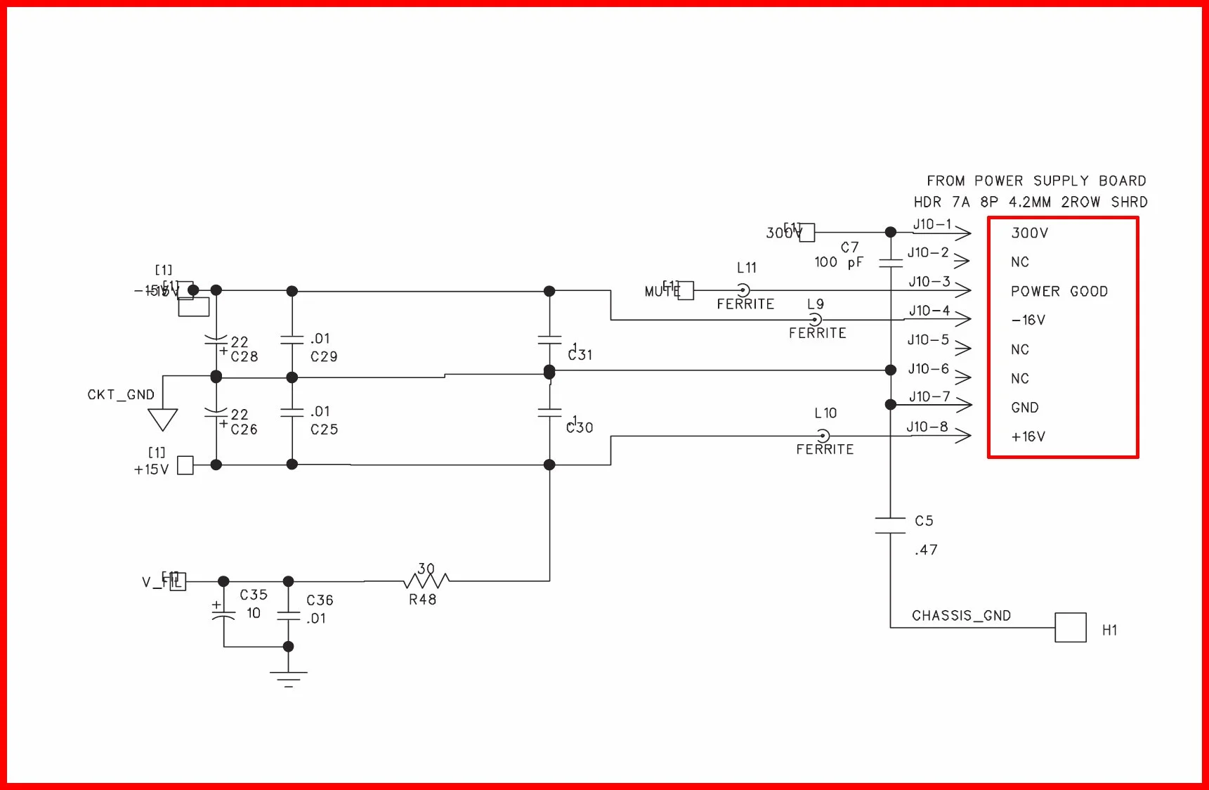
Hier nochmal reingezoomt:

Ich vermute man könnte an den Anschlüssen "300V" und "Power Good" einen 300V Trafo anschließen um die 12AU7 Röhre mit der nötigen Spannung zu versorgen...
An dem anderen Anschluss sollte dann eine 16V Gleichspannung anliegen sowie eben eine Erdung.
Die genauen Schaltpläne gibt es übrigens hier: http://music-electronics-forum.com/t27226/
Und auf Anfrage auch bei mir.
Wenn man sich besonders den Schaltplan des Power Supply Boards anschaut... steige ich leider nicht durch wie die Transformation dort geschieht.
Vielleicht könnt ihr mir ja aber einen Tipp geben, ob das überhaupt so möglich ist wie ich mir das vorstelle und ob es geeignete Transformatoren schon fertig zu kaufen gibt und habt ein paar Ideen wie ich das Projekt realisieren könnte?
Schonmal vielen Dank für eure Ratschläge!
Zu guter letzt noch eine Werbung in eigener Sache:
Wenn euch meine Bastelprojekte gefallen, wählt für mich bei dem "10 User Basteln eine e-Gitarre/Bass" Threat.
Abstimmen könnt ihr als angemeldete User für meinen Nickname "remanuel" unter folgendem Link: https://www.musiker-board.de/pages.php?pageid=16
ich besitze von einem alten Ampeg BA300 eine sehr wahrscheinlich noch intakte Vorstufe.
Siehe hier:

Sieht auf jeden Fall noch einwandfrei aus, da es bei den BA300 ja wohl immer wieder dazu kommt dass die digitale Endstufe abraucht, habe ich mir gedacht ich rette einfach den Preamp oder mache daraus eines meiner "Pimp My Basscombo" Projekte (Wäre dann der dritte Teil, Teil 2 folgt noch, der ist nämlich leider seeeeehr detailliert geworden ^^).
Hier mal noch ein Bild welches ich aus dem Web habe von einem fast vollständig zusammengebauten Ampeg BA300 mit kleinen Anmerkungen:

Meine Idee war es einfach die Vorstufe mit entsprechenden Trafos für HV (Röhrensektion) und NV (Preamp) zu befeuern, den eigentlichen "Effects Loop" abzugreifen und mit einer Klinkenbuchse in ein neu gebasteltes Gehäuse zu installieren.
Dazu noch folgender Schaltplan des Preamp-Boards:

Ich bin leider kein Elektroniker und habe auch in meinem Maschinenbaustudium nur sporadisch das lesen von Schaltplänen behandelt... allerdings scheint mir der rot gekennzeichnete Bereich interessant...
Hier nochmal reingezoomt:

Ich vermute man könnte an den Anschlüssen "300V" und "Power Good" einen 300V Trafo anschließen um die 12AU7 Röhre mit der nötigen Spannung zu versorgen...
An dem anderen Anschluss sollte dann eine 16V Gleichspannung anliegen sowie eben eine Erdung.
Die genauen Schaltpläne gibt es übrigens hier: http://music-electronics-forum.com/t27226/
Und auf Anfrage auch bei mir.
Wenn man sich besonders den Schaltplan des Power Supply Boards anschaut... steige ich leider nicht durch wie die Transformation dort geschieht.
Vielleicht könnt ihr mir ja aber einen Tipp geben, ob das überhaupt so möglich ist wie ich mir das vorstelle und ob es geeignete Transformatoren schon fertig zu kaufen gibt und habt ein paar Ideen wie ich das Projekt realisieren könnte?
Schonmal vielen Dank für eure Ratschläge!
Zu guter letzt noch eine Werbung in eigener Sache:
Wenn euch meine Bastelprojekte gefallen, wählt für mich bei dem "10 User Basteln eine e-Gitarre/Bass" Threat.
Abstimmen könnt ihr als angemeldete User für meinen Nickname "remanuel" unter folgendem Link: https://www.musiker-board.de/pages.php?pageid=16
- Eigenschaft
)!
)