elkulk
Bass-Mod & HCA Bass/Elektronik
Aktualisierung
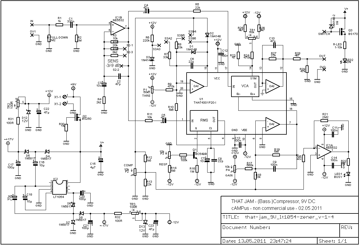
Inzwischen wurde eine neue Platinenversion 1.4 erstellt, die nicht mehr mit Festspannungsreglern wie die vorherigen Versionen, sondern mit einer Spannungsregelung über 12V-Zenerdioden nach einem jetzt einzelnen Spannungskonverter LT1054 arbeitet.
Aufgrund dessen wird der Workshop überarbeitet; die ältere Fassung des Workshops ("Revision 2") kann hier als pdf-Datei heruntergeladen werden (5,4MB !): http://hpbimg.someinfos.de/workshops/that-jam/workshop2/Workshop_alt.pdf
Inhalt - Posts:
#1 - Aktualisierung, Inhalt, Hintergrund (02.05.2011)
#2 - Kommentar von AK (03.05.2010)
#3 - Die Schaltung (02.05.2011)
#4 - Die Bauteileliste (05.05.2011)
#5 - Die Lochrasterplatine - Teil 1 (15.05.2011)
#6 - Verweis auf Diskussionsthread
#7 - Die Lochrasterplatine - Teil 2 (25.05.2011)
#8 - Potentiometer und Fußschalter (vhttps://www.meraltet)
#9 - Kippschalter für Pegelanpassung (Sens) und Hard-Soft-Knee (veraltet)
#10 - Gehäusebearbeitung, Verlöten der LEDs sowie Einbau der Buchsen und der Platine
#11 - Geätzte Platine als Alternative zur Lochrasterplatine (26.05.2011)
#14 - Die Überarbeitung von Platinen der Version 1.2 entsprechend der neuen Version 1.4 (26.05.2011)
Hintergrund
Ende 2009 sprach mich AK an, ob ich Interesse hätte, mit ihm einen Workshop für einen Bodeneffekt-Kompressor auszuarbeiten.
Obwohl ich selbst derzeit in meiner Band keinen benötige, hat mich das Thema doch sehr gereizt, weil es AKs Ziel war, dass der Kompressor nahezu solche Regelmöglichkeiten haben sollte, wie sie üblicherweise eher bei Rack-Kompressoren als bei Bodeneffekten zu finden sind.
Spontan schlug ich ihm, weil er nach meinen Ideen fragte, die integrierten Schaltungen der Firma THAT Corporation vor, deren ICs auch in den bekannten dbx-Kompressoren arbeiten.
Darüberhinaus habe ich seit einigen Jahren immer wieder gutes über den Bodeneffekt-"Compressor Limiter" von Carl Martin gehört und weiß, dass dieser ebenso mit einem THAT-IC arbeitet.
AK schaute sich die Design Notes von THAT (http://www.thatcorp.com/Design_Notes.shtml) sowie die Schaltung des Carl Martin Compressor Limiter ("CMCL") an und nach relativ kurzer Diskussion war geklärt, dass nur wenige Schaltungsmodifikationen für die Anwendung beim E-Bass vorzunehmen waren.
Am wenigsten gefiel mir am CMCL, dass er eine Netzstromversorgung benötigt und nicht mit den üblichen 9V-Netzteilen betrieben werden kann. Also schlug ich AK vor, mich darum zu kümmern, dass ein Spannungswandler von 9V auf die für das THAT-IC 4301 notwendigen symmetrischen +/-12V eingebaut wird.
Nachdem AK und ich jeweils den Kompressor als Prototypen gebaut und getestet hatten (AK eine 230V-Version, ich eine 9V-Version), war klar, dass ein Dual-Band-Kompressor zwar "den Vogel abschießen" würde, uns beiden aber bei den Qualitäten der gebauten Schaltung nicht wirklich nötig erschien.
Darüber hinaus hätte solch eine Schaltung mehr als den 2-fachen Umfang und ließe sich nicht mehr in ein übliches Bodeneffekt-Gehäuse einbauen.
Die Daten standen also fest:
einbandiger Kompressor
Regelmöglichkeiten für
- Threshold
- Compression/Ratio
- Response (kombinierte Attack-Release-Regelung)
- (Make-up) Gain
Umschaltung Hard - Soft Knee
2-stufige Umschaltung der Eingangsverstärkung (Pad für pegelstarke Instrumente)
Busy/Kompression - LED
Status - LED
Hardware Bypass
9V-DC Spannungsversorgung
Neugierig geworden?
Wie schon beim Bass Amuser muss gesagt werden, dass dies kein Anfängerprojekt ist. Ich würde die Schwierigkeit bei der Version auf Lochraster sogar etwas höher einschätzen.
Wer sich also nicht sicher ist, beim Bauen gemachte Fehler selbst finden zu können, der soll bitte eher auf die Version mit geätzter Platine zurückgreifen, für die ich das Platinenlayout zur Verfügung stellen werde.
Inzwischen wurde eine neue Platinenversion 1.4 erstellt, die nicht mehr mit Festspannungsreglern wie die vorherigen Versionen, sondern mit einer Spannungsregelung über 12V-Zenerdioden nach einem jetzt einzelnen Spannungskonverter LT1054 arbeitet.
Aufgrund dessen wird der Workshop überarbeitet; die ältere Fassung des Workshops ("Revision 2") kann hier als pdf-Datei heruntergeladen werden (5,4MB !): http://hpbimg.someinfos.de/workshops/that-jam/workshop2/Workshop_alt.pdf
Inhalt - Posts:
#1 - Aktualisierung, Inhalt, Hintergrund (02.05.2011)
#2 - Kommentar von AK (03.05.2010)
#3 - Die Schaltung (02.05.2011)
#4 - Die Bauteileliste (05.05.2011)
#5 - Die Lochrasterplatine - Teil 1 (15.05.2011)
#6 - Verweis auf Diskussionsthread
#7 - Die Lochrasterplatine - Teil 2 (25.05.2011)
#8 - Potentiometer und Fußschalter (vhttps://www.meraltet)
#9 - Kippschalter für Pegelanpassung (Sens) und Hard-Soft-Knee (veraltet)
#10 - Gehäusebearbeitung, Verlöten der LEDs sowie Einbau der Buchsen und der Platine
#11 - Geätzte Platine als Alternative zur Lochrasterplatine (26.05.2011)
#14 - Die Überarbeitung von Platinen der Version 1.2 entsprechend der neuen Version 1.4 (26.05.2011)
Hintergrund
Ende 2009 sprach mich AK an, ob ich Interesse hätte, mit ihm einen Workshop für einen Bodeneffekt-Kompressor auszuarbeiten.
Obwohl ich selbst derzeit in meiner Band keinen benötige, hat mich das Thema doch sehr gereizt, weil es AKs Ziel war, dass der Kompressor nahezu solche Regelmöglichkeiten haben sollte, wie sie üblicherweise eher bei Rack-Kompressoren als bei Bodeneffekten zu finden sind.
Spontan schlug ich ihm, weil er nach meinen Ideen fragte, die integrierten Schaltungen der Firma THAT Corporation vor, deren ICs auch in den bekannten dbx-Kompressoren arbeiten.
Darüberhinaus habe ich seit einigen Jahren immer wieder gutes über den Bodeneffekt-"Compressor Limiter" von Carl Martin gehört und weiß, dass dieser ebenso mit einem THAT-IC arbeitet.
AK schaute sich die Design Notes von THAT (http://www.thatcorp.com/Design_Notes.shtml) sowie die Schaltung des Carl Martin Compressor Limiter ("CMCL") an und nach relativ kurzer Diskussion war geklärt, dass nur wenige Schaltungsmodifikationen für die Anwendung beim E-Bass vorzunehmen waren.
Am wenigsten gefiel mir am CMCL, dass er eine Netzstromversorgung benötigt und nicht mit den üblichen 9V-Netzteilen betrieben werden kann. Also schlug ich AK vor, mich darum zu kümmern, dass ein Spannungswandler von 9V auf die für das THAT-IC 4301 notwendigen symmetrischen +/-12V eingebaut wird.
Nachdem AK und ich jeweils den Kompressor als Prototypen gebaut und getestet hatten (AK eine 230V-Version, ich eine 9V-Version), war klar, dass ein Dual-Band-Kompressor zwar "den Vogel abschießen" würde, uns beiden aber bei den Qualitäten der gebauten Schaltung nicht wirklich nötig erschien.
Darüber hinaus hätte solch eine Schaltung mehr als den 2-fachen Umfang und ließe sich nicht mehr in ein übliches Bodeneffekt-Gehäuse einbauen.
Die Daten standen also fest:
einbandiger Kompressor
Regelmöglichkeiten für
- Threshold
- Compression/Ratio
- Response (kombinierte Attack-Release-Regelung)
- (Make-up) Gain
Umschaltung Hard - Soft Knee
2-stufige Umschaltung der Eingangsverstärkung (Pad für pegelstarke Instrumente)
Busy/Kompression - LED
Status - LED
Hardware Bypass
9V-DC Spannungsversorgung
Neugierig geworden?
Wie schon beim Bass Amuser muss gesagt werden, dass dies kein Anfängerprojekt ist. Ich würde die Schwierigkeit bei der Version auf Lochraster sogar etwas höher einschätzen.
Wer sich also nicht sicher ist, beim Bauen gemachte Fehler selbst finden zu können, der soll bitte eher auf die Version mit geätzter Platine zurückgreifen, für die ich das Platinenlayout zur Verfügung stellen werde.
- Eigenschaft
Zuletzt bearbeitet:


