147er Erdung nachrüsten

  • Ersteller Ersteller Hoaxel
  • Erstellt am Erstellt am
Hoaxel

Hoaxel

Registrierter Benutzer
Zuletzt hier
05.04.26
Registriert
14.03.13
Beiträge
306
Kekse
589
Ich versuche mich grad dran beim 147er, 240 V die Erdung nachzurüsten, einfach ans Chassis, fliegt der FI, eigentlich klar, gibt ne klassische Nullung. Ich muß also die Nullerpunkte vom Chassis trennen? im Schaltplan sind einige Erdsymbole, die aber wohl letzlich auch auf den Nuller laufen. irgenwie steh ich auf der Leitung,Axel
Ach so, am Gleichrichter fehlt eine Diode, hat aber funktioniert,
 
Eigenschaft
 

hoaxel":3lwcov8m schrieb:
Ich versuche mich grad dran beim 147er, 240 V die Erdung nachzurüsten, einfach ans Chassis, fliegt der FI, eigentlich klar, gibt ne klassische Nullung. Ich muß also die Nullerpunkte vom Chassis trennen? im Schaltplan sind einige Erdsymbole, die aber wohl letzlich auch auf den Nuller laufen. irgenwie steh ich auf der Leitung,Axel
Ach so, am Gleichrichter fehlt eine Diode, hat aber funktioniert,

Böse, böse, das mit der fehlenden Diode. Die Schaltung kann auch mit einer fehlenden Diode funktionieren, nur hast Du dann keine Vollweggleichrichtung mehr ( mehr Brumm und weniger Leistung). Bitte alle 4 ersetzen durch 4x 1N4007. Der vorgeschaltete 8Ohm Widerstand sollte auch drin sein. Der steht zwar nicht im Schaltplan, ist aber wichtig. (NACHTRAG: nach letzten Erkenntnissen und Einsatz moderner Bauelemente ist der Widerstand nicht mehr so wichtig, schadet aber auch nicht ) 🙂
Nullung trennen? Gefährlich. Dann hast Du Hochspannung auf der "Masse" bis zur Orgel. Das geht nicht.

Fliegt der FI immer, auch wenn Du das Leslie geerdet kalt einschaltest?
 
  • Ersteller
  • #3
Schau ich morgen nach, und mach noch mal ein Bild, scheint wirklich was faul zu sein, Axel
 
  • Ersteller
  • #4
was heißt kalt einschalten? nur 0 und Erde verbinden? im Moment ist er auf dem Tisch, ohne Röhren. Die Dioden bestell ich, kann das mit dem FI zusammenhängen?
 

Anhänge

  • IMG_0570.webp
    IMG_0570.webp
    58,8 KB · Aufrufe: 294
  • IMG_0571.webp
    IMG_0571.webp
    45,9 KB · Aufrufe: 293
  • Ersteller
  • #5
Also, ohne L fliegt er nicht, aber auf dem Chassis messe ich gegen Erde 117 VAC, was erstmal den Verdacht auf Schluß von der Trafoseite her erhärtete, ist aber nicht, der orange ist getrennt und zwischen Trafoausgang und Gehäuse ist kein Schluß, Widerstand unendlich. Axel
 
Hallo Axel,

an den Dioden hat schonmal jemand rumgebastelt - einfach die die alten rausgeknipst und die neuen an die Drähte angelötet - funktioniert zwar, aber welche Qualität eine solche Arbeit hat, kann jeder für sich selbst entscheiden.
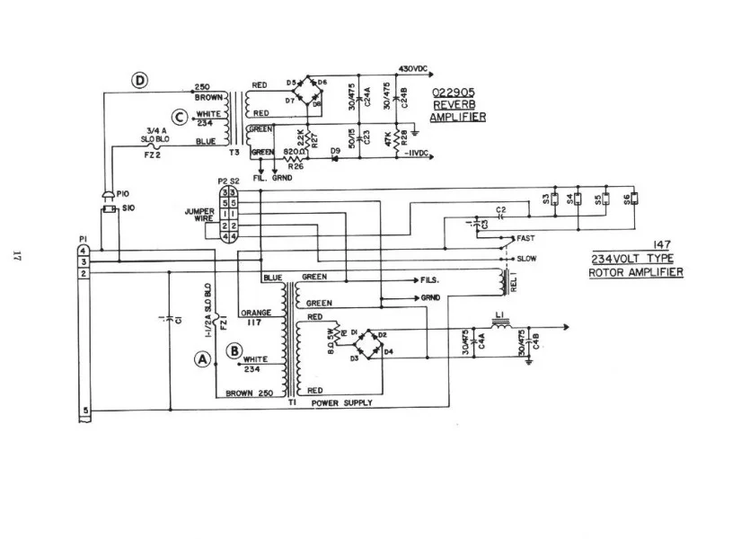
Die 234V Version des 247er Amps hat 3 Anzapfungen für die Primärwicklung: 117V, 234V und 250V. Einer der Anschlüsse, 234 V oder 250 V ist also frei und muss gut isoliert werden, damit er nicht mit dem Chassis in Kontakt kommen kann. Gleichzeitig wird der 117V Anschluss (die halbe Primärwicklung des Trafos) als Spartrafo verwendet um die Motoren mit 117V zu versorgen.
Ich würde mir daher diese beiden Punkte mal genauer ansehen.
s.a. angehängtes Bild.

Gruß,
Harald

Amp147.jpg
 
  • Ersteller
  • #7
Ich hab einen anderen Gleichrichter eingebaut und nun tut alles, Axel
 
hoaxel":1xxd6jke schrieb:
was heißt kalt einschalten? nur 0 und Erde verbinden? im Moment ist er auf dem Tisch, ohne Röhren. Die Dioden bestell ich, kann das mit dem FI zusammenhängen?

0 und Erde verbinden und dann einschalten, meinte ich, also nicht Einschalten und dann erst die Erde an 0 anschließen. Da könnte der FI feuern.

Paß auf, daß Du den Amp nicht ohne Röhren länger als 1-2 Sek. laufen läßt, am besten immer nur mit allen Röhren drin, sonst kann der Elko explodieren (Lebensgefahr!).

Nein, die fehlende Diode kann nichts mit dem FI zu tun haben. Wie gesagt, alle Dioden raus und 1N4007 rein.
 
  • Ersteller
  • #9
und am Ausgang LS oder Ersatzwiderstand, sehe ich doch richtig?
Das der Elko hochgehen kann ohne Röhren wußte ich nicht, hab ich Glück gehabt, wieder was gelernt, da gewinnt der Spruch "Unkentnis schützt......" ja noch eine andere Bedeutung.
Aber nun geht alles erstmal. Axel
 

Ähnliche Themen

Marschjus
Antworten
4
Aufrufe
5K
Marschjus
Marschjus
Zurück
Oben