Phasenanschnittsdimmer Bauteile berechnen

  • Ersteller KombinatLuK
  • Erstellt am
K
KombinatLuK
Registrierter Benutzer
Zuletzt hier
19.07.13
Registriert
19.07.13
Beiträge
1
Kekse
0
Hallo,
im Rahmen meiner Bachelorarbeit im Studiengang Veranstaltungstechnik baue ich einen DMX gesteuerten Phasenanschnittsdimmer.
Nun stehe ich vor dem Probem, die Werte für die Drosselspule und das RC Glied berechnen zu müssen und komme da leider nicht weiter.

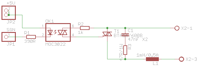
Schaltplan s. Anhang; die Last ist rein ohmsch und zwischen 15 und 100 W, die Werte im Schaltplan basieren auf Erfahrungswerten aus verscheidenen ANs/Foren.

Mein Ansatz wäre über die Risetime die Spule berechnen (doch wie genau?) und danach das RC Glied.
Kann mir da vllt jemand mit dem richtigen Ansatz auf die Sprünge helfen?
 
Eigenschaft
 

Anhänge

  • Schaltplan.png
    Schaltplan.png
    2,7 KB · Aufrufe: 1.063
Für eine Bachelorarbeit (und dann auch noch mit Netzspannung) hast du aber erfrischend wenig Ahnung, die dir im Weg steht.
Da sollte zumindest dein Betreuer richtig Hilfestellung geben können.
Ist dir die Funktionsweise überhaupt klar? Das RC - Glied dient der Unterdrückung von allzu steilen Schaltknacksern im Einschaltmoment des Triac und die Spule ist vermutlich auch eher zur Störunterdrückung. Berechnet werden die eher mit Annahmen, wieviel Störung denn zulässig ist. Ohne die kannst du gar nicht anfangen.
Mit der eigentlichen Funktion haben diese Bauteile nichts zu tun.
Der Phasenanschnitt geschieht durch den Zeitpunkt, an dem der Optokoppler den Triac einschaltet. Auschalten tut er alleine im Nulldurchgang. Die Helligkeit wird über die Zeitverzögerung zwischen dem betragsmäßig ansteigenden Nulldurchgang und dem Einschaltzeitpunkt des Triac bestimmt.
Du brauchst also eine Triggerschaltung für den Nulldurchgang (jede Halbwelle) und eine Umsetzung des DMX Wertes in die gewünschte Verzögerungszeit. 10ms - aus, 0ms voll an.
Dieses (verzögerte) Startsignal geht an den Trigger. Es versteht sich von selbst, dass dieser Trigger auf dne Nulldurchgang natürlich auch vom Netz getrennt sein muss (üblicherweise verlässt man sich auf die Phasenlage des Netztransformators im Gerät. Das Signal wird vor der Gleichrichtung angezapft.

Gruß
Christoph
Ich würde dir mal eine gründliche Literaturstudie empfehlen, die über Foren hinaus gehen. App Notes sind da schon hilfreicher.
 
Kann mir da vllt jemand mit dem richtigen Ansatz auf die Sprünge helfen?

Geh auf www.linear.com und lade die LTSpice kostenlos herunter.
Dann simulier damit die Schaltung durch (ersetze den Optokoppler durch eine Stromquelle mit Rechteck, dazu noch eine Sinusquelle gleicher Frequenz und 230V...)
Du wirst sehen, dass ohne passendes RC Glied die Spule Überschwinger >1000V produziert die dir den Triac schießen. Also musst du das so dimensionieren, dass das passt. Dabei darf das L nicht zu klein werden um nicht zu steile Flanken auf die Leitung zu geben (EMV) und das R nicht zu klein um da nicht zu viel Leistung zu verbraten.

Good Luck, ist deine Bachelor Arbeit!
 
@ Carl, du bist aber echt optimistisch - als ob ein Elektronik-Anfänger einfach so bei Spice durchblicken würde...
 
@ Carl, du bist aber echt optimistisch - als ob ein Elektronik-Anfänger einfach so bei Spice durchblicken würde...
Stimmt. Für den TRIAC muss man nämlich ein Modell beifügen, weil das in LTSPICE nicht so dabei ist. Das geht nicht mal so nebenher.

Ist wahrscheinlich aber auch egal, der Threadsteller hat es bei seinem einzigen Post belassen. Ich werde hier erst wieder was schreiben, wenn er sich wieder meldet.

Gruß
Christoph
 
Könnte man in solchen Fällen nicht in die Versuchung kommen auf die vorgefertigten Platinen eines professionellen Herstellers zurückgreifen und eine "Guttenberg" -Doktor/-Bachelorarbeit draus zu machen ?
 
Hi KombinatLuk,

so ganz einfach ist das mit der "simplen" Triac-Dimmerschaltung leider doch nicht (auch wenn der Schaltplan das nahelegt). Ist zwar schon ein paar Jahre her, dass ich für Dimmerentwicklungen zuständig war, aber ein paar Fetzen sind vielleicht noch vorhaden: also, er Schaltplan, den du abgedruckt hast, enthält eine Drossel und ein sog. Snubber-Netzwerk.

Das Snubber-Netzwerk kann dazu genutzt werden, Spannungssteilheiten über der Schaltstrecke des Triacs zu begrenzen und so das sog. "Überkopfzünden" des Triacs zu verhindern. Allerdings ist die Funktion hier garnicht so scharf abzugrenzen. Je nach Ausführungsart der Ansteuerung und Last, kann dieses Netzwerk u.U. auch dazu dienen, bei stark induktiven Lasten ein verlöschen des Triacs zu verhinden (passiert z.B. durch Schwingen des Lastnetzwerks). In diesem Fall ist der Kondensator beim Durchschalten des Triacs noch geladen und kann nun seine Energie über den Snubber-Widerstand für eine kurze Weile den Stromfluss aufrecht erhalten und das Löschen der Strecke verhindern.

Die Drossel ist dann (auch wieder je nach Ausführung) wieder so ein spezieller Fall. Wenn man die Dinger unbedarft misst, stellt man halt fest, dass sie eine bestimmte Induktiviät haben. In Wirklichkeit besteht das Kernmaterial aber aus einer Mischung von hoch- und niederpermeablen Materialien (je nach Herstellung sind die Bestandteile tatsächlich in verschiedenen Bereichen des Kerns oder sogar in einer homogenen Schmelze untergebracht). Dadurch wird dann für die Flanken eine hohe Dämpfung, für die Hauptstromflussphasen aber eine starke Dämpfung erreicht (das Material geht dann partiell in Sättigung und erzeugt dabei auch nette Verluste = Wärme). Böse Zungen sprechen dann immer von "blöden Blechdrosseln" - in Wirklichkeit steckt aber einiges an know-how dahinter.

Je nach Ansteuerung und Last ist dieses Verhalten mal mehr mal weniger erforderlich. Die Dimensionierung erfolgt in der Regel, indem man sich klar macht, für welchen Lastbereich und welche Lastart die Drossel genutzt werden soll, sich mit einem Hersteller in Verbindung setzt und sich dort eine entsprechende Drossel empfehlen lässt. Danach wird diese dann für verschiedene Dimmstellungen und Lasten gemäß der betreffenden Funkentstörnorm (denn das ist der Hauptzweck der Drossel) vermessen (wenn ich recht erinnere wurde dazu die EN55014 herangezogen), wobei sichergestellt sein muss, dass kein unerwünschtes Verhalten (Verlöschen des Triac, Fischgrätmuster,... auftreten). Es wird dann die Störspannung am Netz sowie die Störung auf der Lastleitung gemessen.

Das Messequipment findest du in der Regel entweder in einem Entwicklungslabor oder einem EMV-Prüfinstitut (ggf. natürlich auch an einer Hochschule).

Hinweis: die Schaltungen, die ich kenne, hatten zusätzlich zur Drossel immer noch einen weiteren Funkentstörkondsator, der Parallel zur gesamten Dimmerschaltung lag(X2-Kondensator). Die Filterwirkung der Drossel alleine war hier jeweils nicht hinreichend (man braucht zur Einhaltung der Funkentstörung ein Fliter 2. Ordnung, wenn ich mich recht erinnere).

Insgesamt ist der "Firlefanz" um den Triac herum so komplex, dass er allein reichen würde, um damit locker eine Bachelorarbeit zu befüllen. Für die eingeschränkten Anforderungen bei deiner Arbeit lässt es sich aber bestimmt erfüllen.

Hoffe, das hat dir ein bisschen geholfen und drück dir die Daumen für deine Arbeit,

Gruß, brausebär
 
  • Gefällt mir
Reaktionen: 4 Benutzer

Ähnliche Themen

Rockin'Daddy
Antworten
16
Aufrufe
13K
egokenny
egokenny

Unser weiteres Online-Angebot:
Bassic.de · Deejayforum.de · Sequencer.de · Clavio.de · Guitarworld.de · Recording.de

Musiker-Board Logo
Zurück
Oben