Fearomoon
Registrierter Benutzer
- Zuletzt hier
- 09.06.24
- Registriert
- 19.01.23
- Beiträge
- 188
- Kekse
- 450
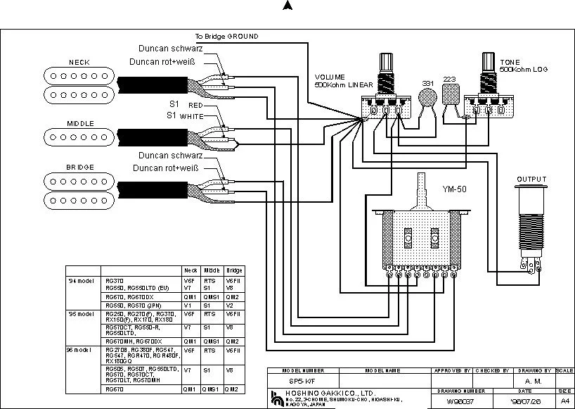
So, jetzt ist die verwirrung komplett....jetzt habe ich das hier gefunden.....Das ist wohl ne V7/V8 Verkabelung mit den Farbcodes von Duncan die wohl so richtig zu sein scheint und ich blicke nun gar nicht mehr durch.
Black - north start
Red -north finish
Gray - south start
White - south finish
Bare is ground.
Black - north start
Red -north finish
Gray - south start
White - south finish
Bare is ground.
