W
wurzlsepp
Registrierter Benutzer
- Zuletzt hier
- 06.11.25
- Registriert
- 08.09.14
- Beiträge
- 56
- Kekse
- 0
Hallo,
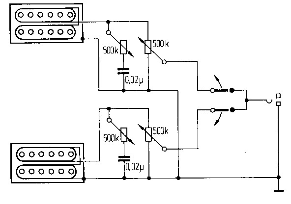
Ich möchte eine Bausatz - SG neu verkabeln. Dazu habe ich mir vorgenommen, beide Tonabnehmer in sich in Serie zu verbinden.
Ob das nun eine gute Idee ist, sei mal dahin gestellt.
Nun möchte ich aber, dass ich den Halstonabnehmer aus dem Signal herausnehmen kann, so dass ich nur den Brückentonabnehmer habe.
Dafür habe ich mir ein Potentiometer in die Gitarre gelötet, aber wenn ich daran drehe, geschieht klanglich nichts.
Kann mir einer weiterhelfen?
P.S.: Bei der Abbildung ist der linke Anschluss vom Poti an den Neck-PU angeschlossen, der Mittlere an den Brücken-PU
und der Rechte an die Masse.
Mit freundlichen Grüßen,
Michael
Ich möchte eine Bausatz - SG neu verkabeln. Dazu habe ich mir vorgenommen, beide Tonabnehmer in sich in Serie zu verbinden.
Ob das nun eine gute Idee ist, sei mal dahin gestellt.
Nun möchte ich aber, dass ich den Halstonabnehmer aus dem Signal herausnehmen kann, so dass ich nur den Brückentonabnehmer habe.
Dafür habe ich mir ein Potentiometer in die Gitarre gelötet, aber wenn ich daran drehe, geschieht klanglich nichts.
Kann mir einer weiterhelfen?
P.S.: Bei der Abbildung ist der linke Anschluss vom Poti an den Neck-PU angeschlossen, der Mittlere an den Brücken-PU
und der Rechte an die Masse.
Mit freundlichen Grüßen,
Michael
- Eigenschaft
