Solton Dopplertone - Kabelbelegung

  • Ersteller Ersteller heinz102
  • Erstellt am Erstellt am
H

heinz102

Guest
Hallo,

nachdem mir David freundlicherweise einen Link zum Schaltplan für das Solton TurboJet bereitgestellt hatte (im letzten Thread), hab ich mich auf die Fehlersuche des Dopplertone-Kabinetts gemacht (das Teil hat unser Gitarrist besorgt). Anfangs haben sich beide Rotoren gedreht, man konnte sie auch ein- und ausschalten. Aber sie liefen nur auf einer Geschwindigkeit (der langsamen). Auf die schnelle Geschwindigkeit geschaltet, hat der Rotor nur herumgeeiert. Mit etwas Geduld (nach ca. 15 min.) wurde der Rotor immer schneller und kam auf Endgeschwindigkeit. Bei der nächsten Probe das gleiche Spiel.
Also hab ich das Teil zerlegt und erst mal den Fußtaster überprüft und danach die Kabelbelegung der Buchsen. Das Dopplertone besteht ja aus einem Unter- und einem Oberteil. Diese sind mit einem Kabel verbunden. Das Unterteil wurde noch nie geöffnet. Die Kabelbelegung dürfte hier also stimmen.
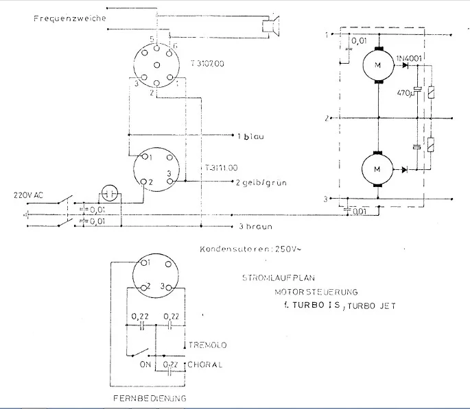
Das Oberteil wurde schon mal geöffnet und man sieht auch im Bild, das das Holz um die Steckerbuchse etwas ramponiert ist. Da wurde auch herumgelötet. Wenn ich nun die Anschlussbelegung der 7pol. Buchse mit dem Schaltplan des TurboJet vergleiche, dann müßten die Pins 2 und 3 falsch angelötet sein: das braune Kabel sollte an Pin 2 sein und das gelb/grüne an Pin 1. Da hier Netzspannung anliegt, wollte ich nicht gleich die beiden Kabel umlöten und mich erst mal vergewissern (no risc, no fun :lol: ). Seht ihr das auch so? Hier nun Fotos der Buchse und vom Motor.
Viele Grüße Thomas
 
Eigenschaft
 

Anhänge

  • _DSC9332_GP.webp
    _DSC9332_GP.webp
    66,1 KB · Aufrufe: 517
  • _DSC9330_GP.webp
    _DSC9330_GP.webp
    42,3 KB · Aufrufe: 446
  • Solton Stecker.webp
    Solton Stecker.webp
    25,4 KB · Aufrufe: 499

  • Ersteller
  • #2
McRiff":3au4d6rf schrieb:
Hallo,

nachdem mir David freundlicherweise einen Link zum Schaltplan für das Solton TurboJet bereitgestellt hatte (im letzten Thread), hab ich mich auf die Fehlersuche des Dopplertone-Kabinetts gemacht (das Teil hat unser Gitarrist besorgt). Anfangs haben sich beide Rotoren gedreht, man konnte sie auch ein- und ausschalten. Aber sie liefen nur auf einer Geschwindigkeit (der langsamen). Auf die schnelle Geschwindigkeit geschaltet, hat der Rotor nur herumgeeiert. Mit etwas Geduld (nach ca. 15 min.) wurde der Rotor immer schneller und kam auf Endgeschwindigkeit. Bei der nächsten Probe das gleiche Spiel.
[...]
Da wurde auch herumgelötet. Wenn ich nun die Anschlussbelegung der 7pol. Buchse mit dem Schaltplan des TurboJet vergleiche, dann müßten die Pins 2 und 3 falsch angelötet sein: das braune Kabel sollte an Pin 2 sein und das gelb/grüne an Pin 1. Da hier Netzspannung anliegt, wollte ich nicht gleich die beiden Kabel umlöten und mich erst mal vergewissern (no risc, no fun :lol: ). Seht ihr das auch so? Hier nun Fotos der Buchse und vom Motor.
Viele Grüße Thomas
Ich denke, da ist mal mit gezogenem Netzstecker ein Messen von Soll-Endpunkt zu Soll-Endpunkt mit Ohmmeter angesagt.

Das Symptom klingt für mich eher nach elektrischen oder mechanischen Verschleißerscheinungen: normalerweise ist maximal einer der Motoren mechanisch angekoppelt, so daß da kein Tauziehen herrschen kann. Denkbar wäre zumindest, daß die zur mechanischen Kopplung genutzte Wippe bei "schnell" nicht geschaltet wird aber von Haus aus so schief steht, daß der schnelle Motor trotzdem noch die Achse erreicht.

Zunächst wäre vermutlich angesagt zu überprüfen, ob der schnelle Motor auch schnell rotiert. Danach, ob die Riemenscheibe auch so von der Wippe angedrückt wird, daß sie Geschwindigkeit hat. Und letztlich, ob der Riemen nicht einfach falsch gespannt ist (so stramm, daß der schnelle Motor nicht gegen die Lagerwiderstände ankommt, oder so schlapp, daß der Riemen fast komplett durchrutscht, was für mich eigentlich noch die plausibelste Erklärung für die 15 min ist).
 
Thomas, was Deine Annahme über die Fehlbelegung des 7pol. Sockels betrifft, so stimme ich Dir zu. Man erkennt ja die Ziffern und wenn das Kabel, was in der Motorabbildung dasjenige ist, das am 7pol Sockel ankommt - man sieht ja nicht, was zwischen den "Fotos passiert" -, dann müßte gelb/grün auf 1 gehen und braun auf 2.

Mit dem Ohmmeter durchpiepsen brauchst Du da gar nichts. Ich glaube nicht, daß im Kabel die Farben gewechselt werden. Sowas macht nur der KGB 🙂



Grüße
Christoph
 
  • Ersteller
  • #4
Hallo,

vielen Dank für eure Antworten.
Es haben sich wohl einige Fehler eingeschlichen. Für die schnelle Geschwindigkeit drückt die Riemenscheibe gegen die Welle mit der Antriebsscheibe. Aber die Antriebswelle hat sich im laufe der Zeit in axialer Richtung verschoben, so dass sich die beiden Scheiben nur an einer Kante berührt hatten und die schnelle Drehzahl zum Lotteriespiel wurde. Habe die Welle entsprechend verschoben.
Die beiden Kabel an Pin 2 und 3 wurden offensichtlich falsch angelötet, was Christoph auch angemerkt hatte. Die restlichen Kabel waren richtig verdrahtet. Hab diese dann richtig angelötet und dann drehte sich auch die untere Trommel wieder mit. Aber die schnelle Geschwindigkeit ließ sich nicht mehr schalten. Jetzt hat sich herausgestellt, dass sich der Fußschalter für Choral/Tremolo zwischenzeitlich verabschiedet hat (Verschleiß). Den hatte ich als erstes überprüft und der ging auch. Shit happens :mrgreen: .
Als nächstes muss ich mir 2 Taster für den Fußschalter besorgen. Habt ihr da ne Bezugsquelle?
Viele Grüße Thomas
 
  • Ersteller
  • #5
McRiff":35yv82j3 schrieb:
Als nächstes muss ich mir 2 Taster für den Fußschalter besorgen. Habt ihr da ne Bezugsquelle?
Ich nicht wirklich: ich erinnere mich nur, daß die Suche auf Ebay erfolgreich war, um 2fach-Umschalter mit 250V und einigem Strom aufzutreiben. Aber ich habe da keine gefunden, die nicht einen Metallkopf gehabt hätten. Die werden zwar prinzipiell gut genug getrennt sein, solange kein Kabel wandern geht, sind mir aber unsympathisch. In meinem Fußschalter hat der Vorbesitzer schon einen solchen verbaut, und ich trete da nicht so gerne drauf. Wenn jemand eine gute Quelle mit Kunststoffkopf hat, würde ich mich der Frage nach der Bezugsquelle anschließen...
 
ich empfehle die Relais Steuerung von Harald zu bauen, dann hat es sich mit dem Schalten der Netzspannung Leitung erledigt (VDE konform??). Kleiner Nebeneffekt da knackt dann auch nichts mehr.

Gruss Helmut
 
  • Ersteller
  • #7
Hallo Helmut,

genau dass schwebt mir vor. So was ähnliches hab ich an meinem 760er Leslie (Umbau auf 9pol.), damit die XK-3C die Motoren des 760er schalten kann. Es gibt die 2fach-Fußschalter für Gitarren in allen Preisklassen (z.B. bei Thomann), damit sollte das funktionieren. Werde das demnächst angehen.
David: Kunststoffkappen haben die Schalter nicht. Fa. Apem hat solche Kappen, wohl auch eine mit Drm. 15 (statt Drm. 20 beim Solton). Ob die aber etwas passendes für unseren Fußschalter haben, müßte man recherchieren.
Viele Grüße Thomas
 

Ähnliche Themen

Zurück
Oben