T
The_Buzzsaw
Registrierter Benutzer
- Zuletzt hier
- 28.11.25
- Registriert
- 26.04.06
- Beiträge
- 1.144
- Kekse
- 2.114
- Ort
- Backnang
Hallo liebe Techniker und Gitarrenkollegen!
Wie der Titel vermuten lässt geht es hier um den Selbstbau eines Gitarrenverstärkers auf der Grundlage dieses Verstärkers: Little Screamer Vielen Dank an dieser Stelle an OneStone für die große Mühe!
Hintergrund für den Bau war folgender: Für zu Hause hatte ich lange Zeit einen Engl Screamer, der zwar spielbar aber irgendwie auch völlig überdimensioniert war. Da ich mich vllt auch bald in einer Studentenbude wiederfinden werde, dachte ich , es wäre an der Zeit ein wenig abzurüsten.
Daher verkaufte ich den Screamer und das Projekt von OneStone kam mir wieder in Erinnerung: 2 Kanäle, einer Clean und amerikanisch, der andere mit mächtig Gain ausgestattet, 5Watt SE-Endstufe → perfekt!
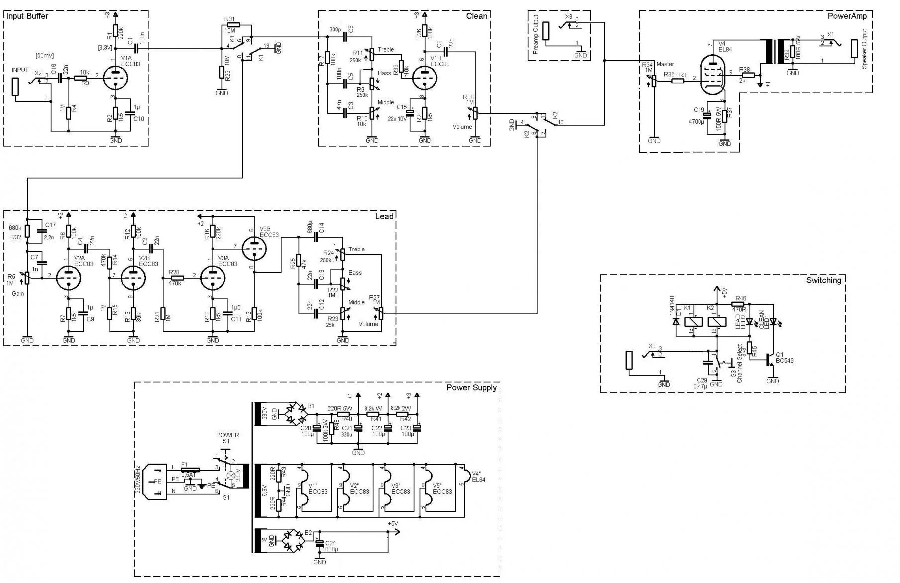
Ich habe die Schaltung für meine Bedürfnisse etwas geändert (->Anhang)
Bitte auf Fehler überprüfen.
Wie man sehen kann habe ich den Effektweg sowie den Boost und da zugehörige Switching herausgenommen. Weiterhin sind ein paar Bauteile geringfügig anders dimensioniert. Meistens aus Verfügbarkeitsgründen.
Meine Bauteillisten findet ihr ebenfalls im Anhang.
Ich beziehe die Teile aus 2 Quellen: TubeTown und Musikding. Abgesehen vom Netztrafo, welcher von Müller Rondo kommt.
Und hier mein erarbeitetes Layout. Ich hoffe das geht soweit in Ordnung. Wenn der ein oder andere Ampspezi was zur Verbesserung sagen kann, nur zu.
Die Masseführung fehlt allerdings noch...
Ich werde den Amp erstmal als Head konzipieren. Dazu plane ich eine kleine 1x12er, 1x10er oder eine 2x10er Box. Dazu natürlich die Frage was kommt besser. Ein 12er in einem minimalen Gehäuse oder ein 10er, der dann im Gegenzug mehr Platz zum Atmen hat?
Hat jemand spezielle 10er, die er empfehlen kann? Zu teuer sollten sie am Besten nicht sein, das heißt <100€.
Also, ich hoffe ihr könnt mir entweder zur Seite stehen und bei Problemen helfen bzw. mir helfen diese gar im Vorraus zu vermeiden oder ihr erfreut euch einfach der Dokumentation dieses Verstärkers.
Anregungen und Kritik sind natürlich erwünscht!
Die Teile sollten im Laufe der nächsten Woche kommen und dann gehts mit dem Chassis los.
Grüße,
Niklas
Wie der Titel vermuten lässt geht es hier um den Selbstbau eines Gitarrenverstärkers auf der Grundlage dieses Verstärkers: Little Screamer Vielen Dank an dieser Stelle an OneStone für die große Mühe!
Hintergrund für den Bau war folgender: Für zu Hause hatte ich lange Zeit einen Engl Screamer, der zwar spielbar aber irgendwie auch völlig überdimensioniert war. Da ich mich vllt auch bald in einer Studentenbude wiederfinden werde, dachte ich , es wäre an der Zeit ein wenig abzurüsten.
Daher verkaufte ich den Screamer und das Projekt von OneStone kam mir wieder in Erinnerung: 2 Kanäle, einer Clean und amerikanisch, der andere mit mächtig Gain ausgestattet, 5Watt SE-Endstufe → perfekt!
Ich habe die Schaltung für meine Bedürfnisse etwas geändert (->Anhang)
Bitte auf Fehler überprüfen.
Wie man sehen kann habe ich den Effektweg sowie den Boost und da zugehörige Switching herausgenommen. Weiterhin sind ein paar Bauteile geringfügig anders dimensioniert. Meistens aus Verfügbarkeitsgründen.
Meine Bauteillisten findet ihr ebenfalls im Anhang.
Ich beziehe die Teile aus 2 Quellen: TubeTown und Musikding. Abgesehen vom Netztrafo, welcher von Müller Rondo kommt.
Und hier mein erarbeitetes Layout. Ich hoffe das geht soweit in Ordnung. Wenn der ein oder andere Ampspezi was zur Verbesserung sagen kann, nur zu.
Die Masseführung fehlt allerdings noch...
Ich werde den Amp erstmal als Head konzipieren. Dazu plane ich eine kleine 1x12er, 1x10er oder eine 2x10er Box. Dazu natürlich die Frage was kommt besser. Ein 12er in einem minimalen Gehäuse oder ein 10er, der dann im Gegenzug mehr Platz zum Atmen hat?
Hat jemand spezielle 10er, die er empfehlen kann? Zu teuer sollten sie am Besten nicht sein, das heißt <100€.
Also, ich hoffe ihr könnt mir entweder zur Seite stehen und bei Problemen helfen bzw. mir helfen diese gar im Vorraus zu vermeiden oder ihr erfreut euch einfach der Dokumentation dieses Verstärkers.
Anregungen und Kritik sind natürlich erwünscht!
Die Teile sollten im Laufe der nächsten Woche kommen und dann gehts mit dem Chassis los.
Grüße,
Niklas
- Eigenschaft

Daher hab ich jetzt einen Widerstand ans Gainpoti gelötet (von Eingang auf Masse), der das Ganze etwas verbessert und zusätzlich mal ne ECC81 bestellt.