Folge dem Video um zu sehen, wie unsere Website als Web-App auf dem Startbildschirm installiert werden kann.
Anmerkung: This feature may not be available in some browsers.
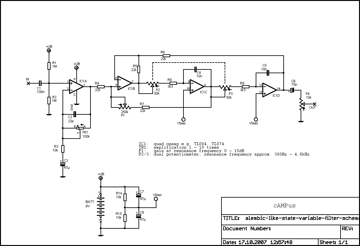
Kommt demnächst, muss ihn aber erst noch "abpinseln" ... allerdings ist es nicht ganz das Original und ausprobiert habe ich ihn auch noch nicht.danke für deine information,
hab ich auch schon gesehen diese gute seite,
ideal wäre der original schaltplan von alembic,
gruss
bruno
Kommt demnächst, muss ihn aber erst noch "abpinseln" ... allerdings ist es nicht ganz das Original und ausprobiert habe ich ihn auch noch nicht.

... es geht auf eine Größe von ca. 4,5 x 3,8 cmDie vier Opamps sind evtl. in einem IC drin, das ist dann einer mit 14 "Beinen". Dadurch kann es nach relativ wenig aussehen.
Evtl. erstelle ich mal ein Lochrasterlayout (Maddin_BP; ein ganzer Workshop ist mir gerade zu viel, ich komme sonst nicht mehr zu meinen eigenen Projekten). Dann ist zu sehen, wie klein das Ganze ausfällt. ...
Sry, ein Fehler beim Zeichnen des Schemas in eagle von mir.Im Schaltbild ist ein Fehler. C6 geht nicht auf R14 / 15, sondern direkt aufs Poti.
...
Einige der vielen Möglichkeiten habe ich bereits drunter geschrieben. C7 > C2 (22pF) habe ich mal noch vorsichtshalber wegen der Gefahr des Schwingens an IC1A ergänzt. C2 > C3 kann auch geändert werden, je nachdem, wieviel Bass die Schaltung wiedergeben soll. (Ich hatte eine Schaltung - nicht von Alembic - für Gitarre vorliegen, da war C2 > C3 z. B. viel kleiner, ich glaube 1µF.) ...
