Funkeybrother
Registrierter Benutzer
- Zuletzt hier
- 18.03.26
- Registriert
- 22.06.08
- Beiträge
- 1.668
- Kekse
- 7.029
- Ort
- Westfalenland
Mahlzeit!
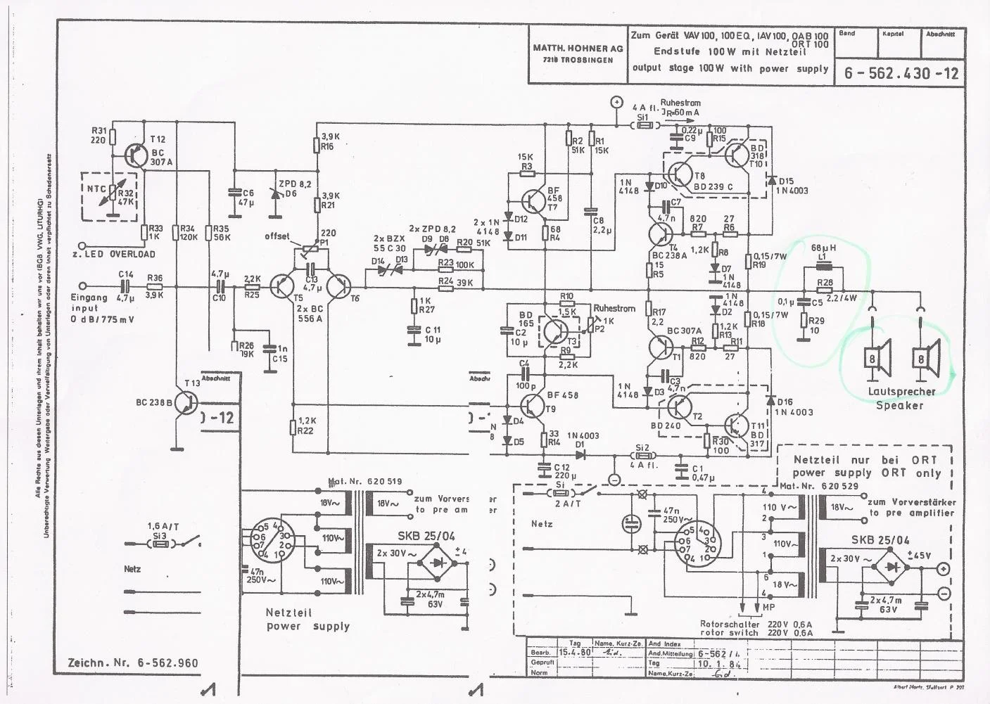
Ich würde gern mein Hohner ORT100 mit einer Röhrenendstufe betreiben.
Nachdem was ich hier und da so gelesen habe würde ich gerne mal den Eminent II ausprobieren - was gibt es da zu beachten?
Die Speaker im ORT100 haben 8 Ohm - einfach abgreifen, hinten in den Eminent stöpseln und gut? (ist das wirklich so einfach?
)
Außerdem habe ich einen Reußenzehn O&G - kann ich irgendwie den Preamp des Eminent II umgehen und damit direkt auf die Endstufen gehen?
Was darf man für so einen Amp ausgeben? Hier wird gerade einer für 200 Euro angeboten: http://kleinanzeigen.ebay.de/anzeigen/s ... ref=search
Viele Grüße, Andreas
Ich würde gern mein Hohner ORT100 mit einer Röhrenendstufe betreiben.
Nachdem was ich hier und da so gelesen habe würde ich gerne mal den Eminent II ausprobieren - was gibt es da zu beachten?
Die Speaker im ORT100 haben 8 Ohm - einfach abgreifen, hinten in den Eminent stöpseln und gut? (ist das wirklich so einfach?
)Außerdem habe ich einen Reußenzehn O&G - kann ich irgendwie den Preamp des Eminent II umgehen und damit direkt auf die Endstufen gehen?
Was darf man für so einen Amp ausgeben? Hier wird gerade einer für 200 Euro angeboten: http://kleinanzeigen.ebay.de/anzeigen/s ... ref=search
Viele Grüße, Andreas
- Eigenschaft

