Also hier die Berechnung für das Beispiel 8 Ohm Input Buchse und 8 Ohm ohmsche Last am Ausgang. Ausserdem der Schaltkontakt in der 16 Ohm Eingangsbuchse.
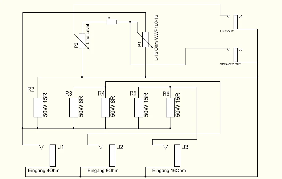
Ich habe mal Deinen Schaltplan um Bautelnummerierungen erweitert:

Nach der 8 Ohm Buchse (J2) kommt als Erstes ein Serienwiederstand, der jedoch aus der Parallelschaltung aus R3 und R4 entsteht.
Danach kommt der Wiederstand R2 zu Masse und parallel dazu noch die Wiederstände R5 und R6 die über die unbenutze J3 ja ebenfalls auf Masse liegen. Dann kommt auch schon unser Poti P1 und ebenfalls parallel dazu unser ohmscher Lastwiederstand Rs als Lautsprecherersatz am Schleifer von P1.
Im Bild sieht das dann so aus:
Für die Potistellung "maximale Lautstärke" ist der Schleifer von P1 ganz oben. Somit sind P1 und Rs schlicht ebenfalls parallel geschaltet.
Für die Formel sei + das Symbol für Reihenschaltung und || das Symbol für die Parallelschaltung. Dann ergibt sich für den Fall "maximale Lautstärke":
Ramp@maxVol = (R3 || R4) + (R2 || R5 || R6 || P1 || Rs)
und ausgeschrieben:
Ramp@maxVol = (1/(1/R3 + 1/R4)) + (1/(1/R2 + 1/R5 + 1/R6 + 1/P1 + 1/Rs))
Für den Fall "minimale Lautstärke" ist der Schleifer von P1 ganz unten. Somit fällt Rs einfach aus der Schaltung heraus und die neue Formel wäre folgende:
Ramp@minVol = (R3 || R4) + (R2 || R5 || R6 || P1)