E
eurojo
Registrierter Benutzer
- Zuletzt hier
- 19.03.26
- Registriert
- 15.04.09
- Beiträge
- 163
- Kekse
- 221
- Ort
- Plauen
Hallo zusammen,
ich habe den o.g. Amp gebraucht erstanden und hatte nach dem ersten Probespielen das Gefühl, dass der Kollege sehr flach und spitz klingt, sehr schnell verzerrt und jenseits der 12Uhr schon fast in ein Distortion / Fuzz geht (auch mit Single Coils) und der Tone-Regler nicht so wirklich funktioniert, ähnlich wie in diesem Thread bzw. außerhalb des MB hier. Da die Threads sehr alt sind und die Lösung lautete:
"Nimm die Garantie in Anspruch und schick ihn zurück"
aber keine wirkliche Ursache genannt werden konnte und es somit auch keine Reparatur-Lösung gab, haben mir diese Threads nicht weitergeholfen.
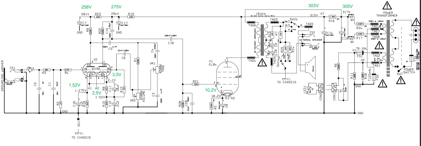
Deshalb habe ich mich auf die Suche nach einem Service Manual gemacht und es hier gefunden. Also habe ich den Amp mal aufgemacht und die Widerstände und die angegebene Spannungen gemessen und bei den Kondensatoren geprüft, ob sie Durchgang haben (Kapazitäten kann ich leider nicht messen). Die Masse habe ich auch auf Durchgang geprüft - alles i. O.
Bei den Kondensatoren habe ich keinen Durchgang feststellen können.
Die gemessenen Spannungswerte in grün:
Die Messwerte für die Widerstände:
An den Messergebnissen kann ich erstmal nichts massiv problematisches finden; die "hohen" Spannungen rund um die Vorstufenröhre finde ich etwas seltsam
.
Ich habe die Gitarre nach dem Messen nochmal an den Amp gesteckt und probiert. Das Grundproblem bleibt weiterhin bestehen, aber wenn ich den Volume-Regler über 12 Uhr bewege, setzen plötzlich die tiefen Frequenzen ein; das Tone-Poti funktioniert und der Amp klingt ganz okay - zerrt halt wie die Sau. Und im 4 Watt - Modus fängt der Kollege an zu pfeifen, wenn man das Tone-Poti nach rechts dreht. Im nachfolgenden Video kann man am besten erkennen, was ich meine.
Ich bin der Meinung, dass dass nicht so sein sollte. In diesem Repair-Video kommt zum Schluss auch ein Soundcheck und der hört sich anders an als bei mir...
Das Pfeifen kommt mir kurz nach 12Uhr zu plötzlich und verschwindet auch wieder, sodass ich das als Feedback zur Gitarren ausschließe - klingt auch eher so, als kommt das aus der Elektronik und nicht aus dem Speaker. Die beiden Röhren habe ich auch mal ausgetauscht - das Problem bleibt jedoch.
Hat jemand eine Idee, woran das liegen kann, dass der Amp:
a) so plötzlich den vollen Frequenzumfang liefert, wenn man mit dem Volume über 12Uhr geht?
b) schon so zeitig anfängt zu zerren?
c) das Pfeifen anfängt, wenn das Tone-Poti über 12Uhr bewegt wird?
Ich habe die Kondensatoren C3, C4 und C5 im Verdacht, weil sie im Signalweg von Tone-Poti zur Röhre hängen, aber ich will die nicht "wild" tauschen (C2 und C6 sind übrigens nicht verbaut / weggelassen, auch in dem Amp aus dem Repair-Video)
Vielen Dank und Viele Grüße,
Johannes
ich habe den o.g. Amp gebraucht erstanden und hatte nach dem ersten Probespielen das Gefühl, dass der Kollege sehr flach und spitz klingt, sehr schnell verzerrt und jenseits der 12Uhr schon fast in ein Distortion / Fuzz geht (auch mit Single Coils) und der Tone-Regler nicht so wirklich funktioniert, ähnlich wie in diesem Thread bzw. außerhalb des MB hier. Da die Threads sehr alt sind und die Lösung lautete:
"Nimm die Garantie in Anspruch und schick ihn zurück"
aber keine wirkliche Ursache genannt werden konnte und es somit auch keine Reparatur-Lösung gab, haben mir diese Threads nicht weitergeholfen.
Deshalb habe ich mich auf die Suche nach einem Service Manual gemacht und es hier gefunden. Also habe ich den Amp mal aufgemacht und die Widerstände und die angegebene Spannungen gemessen und bei den Kondensatoren geprüft, ob sie Durchgang haben (Kapazitäten kann ich leider nicht messen). Die Masse habe ich auch auf Durchgang geprüft - alles i. O.
Bei den Kondensatoren habe ich keinen Durchgang feststellen können.
Die gemessenen Spannungswerte in grün:
Die Messwerte für die Widerstände:
An den Messergebnissen kann ich erstmal nichts massiv problematisches finden; die "hohen" Spannungen rund um die Vorstufenröhre finde ich etwas seltsam
Ich habe die Gitarre nach dem Messen nochmal an den Amp gesteckt und probiert. Das Grundproblem bleibt weiterhin bestehen, aber wenn ich den Volume-Regler über 12 Uhr bewege, setzen plötzlich die tiefen Frequenzen ein; das Tone-Poti funktioniert und der Amp klingt ganz okay - zerrt halt wie die Sau. Und im 4 Watt - Modus fängt der Kollege an zu pfeifen, wenn man das Tone-Poti nach rechts dreht. Im nachfolgenden Video kann man am besten erkennen, was ich meine.
Ich bin der Meinung, dass dass nicht so sein sollte. In diesem Repair-Video kommt zum Schluss auch ein Soundcheck und der hört sich anders an als bei mir...
Das Pfeifen kommt mir kurz nach 12Uhr zu plötzlich und verschwindet auch wieder, sodass ich das als Feedback zur Gitarren ausschließe - klingt auch eher so, als kommt das aus der Elektronik und nicht aus dem Speaker. Die beiden Röhren habe ich auch mal ausgetauscht - das Problem bleibt jedoch.
Hat jemand eine Idee, woran das liegen kann, dass der Amp:
a) so plötzlich den vollen Frequenzumfang liefert, wenn man mit dem Volume über 12Uhr geht?
b) schon so zeitig anfängt zu zerren?
c) das Pfeifen anfängt, wenn das Tone-Poti über 12Uhr bewegt wird?
Ich habe die Kondensatoren C3, C4 und C5 im Verdacht, weil sie im Signalweg von Tone-Poti zur Röhre hängen, aber ich will die nicht "wild" tauschen (C2 und C6 sind übrigens nicht verbaut / weggelassen, auch in dem Amp aus dem Repair-Video)
Vielen Dank und Viele Grüße,
Johannes
