Avalanche
Registrierter Benutzer
- Zuletzt hier
- 18.03.26
- Registriert
- 19.08.03
- Beiträge
- 1.500
- Kekse
- 1.852
Moin,
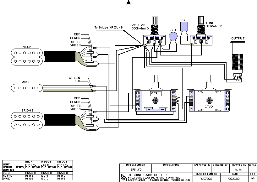
Mir fehlen die Zwischenpositionen des 5 Wege Schalters:
Es handelt sich um eine 90's Ibanez Japan ohne genaue Bezeichnung:
Die Schaltung ist eigentlich simple.
5 Wege switch
1x Vol Master
1x Tone
Der Switch hat an beiden Seiten 2x 4 Kontakte
Ich habe nur einen der 4 Seiten benutzt. Also Pu's an 3 Lötstellen und Output: 4. Lötstelle
Einzeln funktioniert alles, nur nicht die Zwischen Positionen
Hier ein Bild vor dem löten.
HB neck original: rot weiss und masse
SC original Mid: rot weiss und masse
Hb bridge neu Seymour 4 adern: grün (rot- weiss) schwarz
Mir fehlen die Zwischenpositionen des 5 Wege Schalters:
Es handelt sich um eine 90's Ibanez Japan ohne genaue Bezeichnung:
Die Schaltung ist eigentlich simple.
5 Wege switch
1x Vol Master
1x Tone
Der Switch hat an beiden Seiten 2x 4 Kontakte
Ich habe nur einen der 4 Seiten benutzt. Also Pu's an 3 Lötstellen und Output: 4. Lötstelle
Einzeln funktioniert alles, nur nicht die Zwischen Positionen
Hier ein Bild vor dem löten.
HB neck original: rot weiss und masse
SC original Mid: rot weiss und masse
Hb bridge neu Seymour 4 adern: grün (rot- weiss) schwarz
- Eigenschaft
Zuletzt bearbeitet:

