milebrega
Registrierter Benutzer
- 25.11.18
- 07.05.07
- 24
Liebes Forum,
auf meiner Dreadnought spiele ich seit Jahren eigentlich nur 12er Pyramid Phosphor-Bronze, aber jetzt wollte ich mal Elixir Nanoweb ausprobieren. Musste mich erstmal dran gewöhnen, weil es deutlich heller und auch knalliger klingt - was gut und schlecht zugleich ist =) Ob ich sie wieder kaufen würde, weiß ich noch nicht - aber darum geht es hier auch gar nicht: Ich hatte alte Pyramid-Saiten auf der Gitarre, bei den neuen Nanoweb gab es ein bisschen Verschnitt und zum Vergleich habe ich auch noch etwas vom Ende einer frischen Pyramid-Saite abgeschnitten, und wollte sie mir mal genauer angucken:

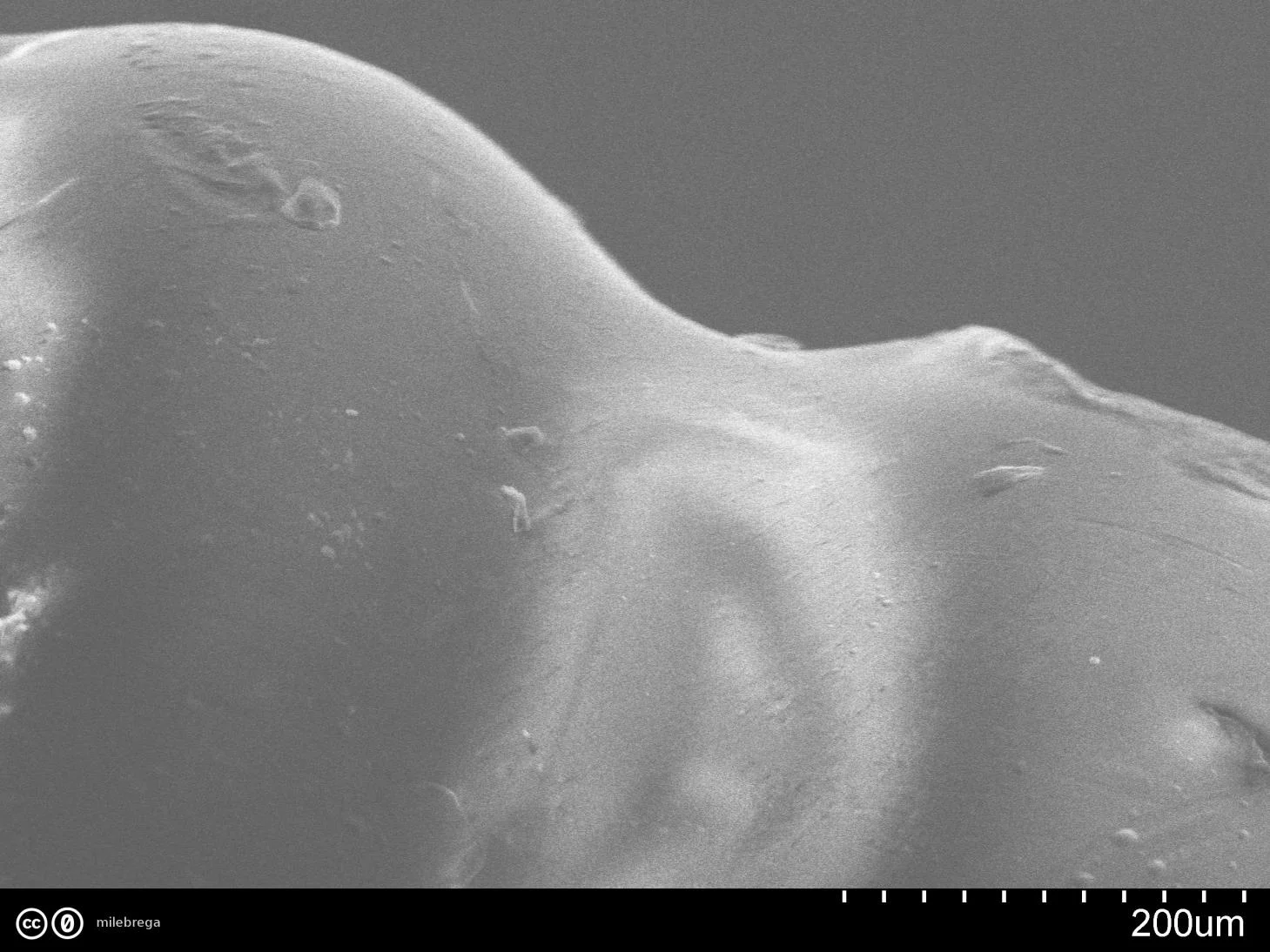
Links die Nanoweb, Mitte die frische Pyramid und rechts die nicht mehr ansehnliche alte Pyramid. Aufgeklebt auf einen REM-Probenhalter (das schwarze ist das leitfähige Graphit-Klebe-Pad) ...und ab unters Elektronenmikroskop: Zunächst Pyramid sauber:


Mit kleinen Unreinheiten auf der Umwicklung - keine Ahnung, was das ist.

Wie ganz oben auf dem (makroskopischen) Foto zu sehen: Am Ende habe ich die Umwicklung ein wenig aufgedreht (oberes Bild). Die hexagonale Struktur des inneren Drahtes kann man auf den REM-Bilder nicht erkennen... Unteres Bild: hier nur der dünne Umwicklungsdraht. Man sieht rechts einen Abdruck, wo die Umwicklung auf dem Kern auflag.

Nun die gebrauchte Saite (Pyramid):


Wie zu erwarten, viel mehr Ablagerung auf der Umwicklung... :-/

Und nun die frischen Nanowebs:

Ziemlich eingekleistert! Was man optisch überhaupt nicht sieht...


Hier (oben) die abgezogene Umwicklung. Hier sieht man, wie die Beschichtung am Draht klebt....
Die Maßstabsangabe auf den Bilder bezieht sich immer auf den Abstand der gesamten 11 Strichlein - die ihrerseits die Angabe in 10 Abschnitte einteilen sollen.
Ich hoffe, ihr findet die Bilder interessant, schönen Gruß,
Milebrega
auf meiner Dreadnought spiele ich seit Jahren eigentlich nur 12er Pyramid Phosphor-Bronze, aber jetzt wollte ich mal Elixir Nanoweb ausprobieren. Musste mich erstmal dran gewöhnen, weil es deutlich heller und auch knalliger klingt - was gut und schlecht zugleich ist =) Ob ich sie wieder kaufen würde, weiß ich noch nicht - aber darum geht es hier auch gar nicht: Ich hatte alte Pyramid-Saiten auf der Gitarre, bei den neuen Nanoweb gab es ein bisschen Verschnitt und zum Vergleich habe ich auch noch etwas vom Ende einer frischen Pyramid-Saite abgeschnitten, und wollte sie mir mal genauer angucken:

Links die Nanoweb, Mitte die frische Pyramid und rechts die nicht mehr ansehnliche alte Pyramid. Aufgeklebt auf einen REM-Probenhalter (das schwarze ist das leitfähige Graphit-Klebe-Pad) ...und ab unters Elektronenmikroskop: Zunächst Pyramid sauber:


Mit kleinen Unreinheiten auf der Umwicklung - keine Ahnung, was das ist.

Wie ganz oben auf dem (makroskopischen) Foto zu sehen: Am Ende habe ich die Umwicklung ein wenig aufgedreht (oberes Bild). Die hexagonale Struktur des inneren Drahtes kann man auf den REM-Bilder nicht erkennen... Unteres Bild: hier nur der dünne Umwicklungsdraht. Man sieht rechts einen Abdruck, wo die Umwicklung auf dem Kern auflag.

Nun die gebrauchte Saite (Pyramid):


Wie zu erwarten, viel mehr Ablagerung auf der Umwicklung... :-/

Und nun die frischen Nanowebs:

Ziemlich eingekleistert! Was man optisch überhaupt nicht sieht...


Hier (oben) die abgezogene Umwicklung. Hier sieht man, wie die Beschichtung am Draht klebt....
Die Maßstabsangabe auf den Bilder bezieht sich immer auf den Abstand der gesamten 11 Strichlein - die ihrerseits die Angabe in 10 Abschnitte einteilen sollen.
Ich hoffe, ihr findet die Bilder interessant, schönen Gruß,
Milebrega
- Eigenschaft