Stratspieler
Registrierter Benutzer
- Zuletzt hier
- 01.04.26
- Registriert
- 04.03.09
- Beiträge
- 8.537
- Kekse
- 109.849
- Ort
- Ländleshauptstadt
Kommen sonst Kunden mit ihren Gitarrenamps zu mir, so bin ich diesmal mein eigener Kunde. Denn mein Bassman muss zur Reparatur auf die Werkbank.
Eigentlich sehr ärgerlich, dass dem so ist.
Symptome / Fenders Fehler
Zunächst spielte der Amp einwandfrei. Aber bald schon fing er an, immer wieder mal zu zischeln und zu kratzen. So, als wäre einer seiner vier Jensen AlNiCo's kaputt. Zuerst passierte das nur ab und zu, ganz sporadisch. Ich hielt das zunächst für einen Kontaktfehler an einer der Vorröhrenfassungen und nach Säuberung schien der Fehler auch tatsächlich verschwunden zu sein. Aber nein, er trat immer öfters und öfters auf und wurde mit der Zeit dauerhaft störend.
Sehr gut ist das zu hören, wenn man sich auf YT begibt und die beiden Videos zu diesem Bassman '59 LTD von Psionic Audio ansieht und anhört. Zu finden hier (Part 1) und hier (Part 2).
Den "Lapsus", als V1 eine 12AX7 zu verwenden, wo hingegen das Original mit einer 12AY7 arbeitet, hatte ich ja schon seinerzeit erwähnt und ausgebügelt. Zwar zieht eine 12AY7 die Spannung an den Anoden der Röhre ziemlich runter, aber das spielt keine Rolle. Technisch passiert da nichts Beachtenswertes. Aber der Amp kann klanglich nur gewinnen.
Dieser relativ geringe Wert lässt den Preamp bei Belastung "atmen" und man bekommt bei aufgedrehtem Volume eine schnellere An- und Verzerrung in den Ton - genau das, was den Bassman so einzigartig macht.
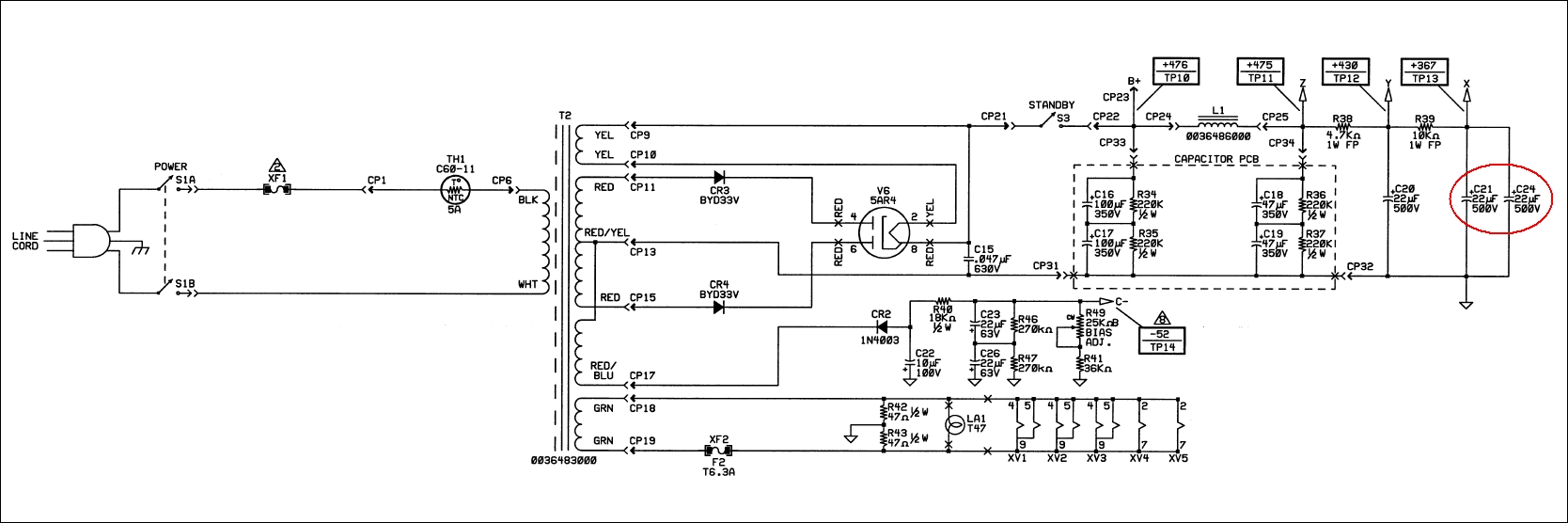
Schaut man sich nun das Netzteil des RI an:
Zunächst ist an der Beschaltung der Ladeelkos nichts auszusetzen. Das moderne Splitten zusammen mit den 220KOhm-Parallelwiderständen geht völlig in Ordnung. Man beachte nun aber die Elkos nach dem 10KOhm-Siebwiderstand R39! Hier liegen mit C21 und C24 sage und schreibe 44µF an. Das ist der fünffache Wert im Vergleich zum Original. Infolgedessen bekommt man u.a. auch in Verbindung mit der viel höheren Betriebsspannung das, was Psionic Audio in seiner ihm eigenen Art so beschreibt:
"The original basement had eight microfarad. 8 versus 10 you won’t hear a difference. 10 22 this is a 20 arguably there’s a difference arguably the 20 or 22 is a little bit better though maybe less authentic but 44 really that’s
a good way to have a very stiff very very stiff feeling preamp."
Die 44µF... Klar, man kann das selbstverständlich im Sinne von "More Headroom" mögen, warum auch nicht. Aber dann ist es eben nicht mehr ein Bassman mit seiner für ihn so typischen Eigenheit, bei weiter aufgedrehten Volumereglern schnell ins (An-) Zerren zu gelangen.
Lange Zeit dachte ich, das ich u.U. der einzige bin, der mit seinem Bassman in der Wiedergabe dieses Zischel- und Störungsproblem hat. Bis ich rein zufällig in einer Verkaufsannonce zu diesem Amp genau die gleichen, verbalen Schilderungen dazu las. Naja und Psionic Audio bestätigte meine Vermutung hinsichtlich der Filter Caps. Da war ich mir dann sicher.
Also: Raus mit diesen Illinois-Elkos und raus mit C21 oder C24.
Reparatur #1
Baut man zunächst das Chassis aus, so sieht man die gehörigen, schwergewichtigen Klumpen "Eisen" inform des Netz- und Ausgangsübertragers. Das passt, denn wo Leistung rauskommen soll, muss auch entsprechend Material da sein, um Leistung erwirtschaften zu können:
Fender hat hier beim Reissue im Gegensatz zum Original eine nette Dreingabe spendiert. Schraubt man das Chassis mit seinen nur zwei (!) Befestigungsschrauben ab, so muss man nicht befürchten, dass die Schrauben vergrießgnaddelt sind oder dass einem das linksseitig schwere Chassis aus der Hand gleitet:
Es ruht mit seinem Netztrafo auf diesem Winkel, auf den ein Gummipuffer geklebt ist. Feine Sache: Man kann erst links und dann rechts losschrauben und anschließend das Chassis bequem aus dem Combogehäuse ziehen.
Die vier Schrauben vom Doghouse gelöst, Deckel runter und zum Vorschein kommen mir herstellerseitg unbekannte Elkos mit ihren Parallelwiderständen:
Raus mit den Dingern und ausgetauscht gegen qualitativ hochwertige von F+T, von denen ich weiß, was ich habe. Bevor ich eine Platine abschraube, deren Stabilität mir unbekannt ist, löse ich zuerst mit einem scharfen Messer diese Unsitte der silikonähnlichen Pampe, so dass die Elkos frei liegen. Erst dann schraube ich die Platine ab. Hier kann man sie bequem hochklappen, so dass man gut an die Lötseite herankommt:
Das Einlöten der neuen Elkos bereitet keine Schwierigkeiten. Ist ein Lötloch noch zu, so bohre ich es mangels Entlötpumpe und -litze mit meiner kleinen, alten, aber feinen PIKO-Minibohrmaschine und einem passenden Feinbohrer ohne großen Druck auszuüben (die Leiterbahn soll ja nicht abreißen) wieder auf:
Sind die neuen Elkos eingebaut...
... wird das Doghouse wieder verschlossen. Die alten Elkos fliegen in die Tonne. Ist mir egal, ob die "vielleicht noch gut" oder "schon böse" sind.
Teil 1 der Reparatur ist fertig.
Reparatur #2
Dieser Teil geht nicht ganz so einfach vonstatten, wie der erste Teil.
Es gibt zwei Möglichkeiten, die Elkos auszutauschen:
- -
Auch wenn es nur ca. 460 Volt sind, die an den Anoden der 6L6 anliegen, aber ist ist eine "harte" Gleichspannung (sofern die 5AR4 als Gleichrichter noch in Ordnung ist). Mir ist es einst mal passiert, dass ich mit einer Prüfspitze zu unbedacht und nicht korrekt an den Anodenpin an einer der beiden 6L6 ranging, sondern dabei zu dicht an den danebenliegenden Pin der Heizspannung kam. Sofort bildete sich durch die Isolierung der am Anodenpin anliegenden Zuleitung zum OT hindurch ein Lichtbogen zum Heizungspin, verbunden mit einem tiefen, lauten Brumm im Amp. Die Heizspannung ist oft mit zwei Widerständen gegen Masse symmetriert. Der Kurzschlußpfad nach Masse hat genügt, dass augenblicklich die beiden Symmetrierwiderstände in Rauch aufgingen. Eine Sicherung im Amp kam nicht (!). So schnell konnte ich nicht mal den Netzstecker ziehen, wie die zwei (und zum Glück nur die beiden!) Widerstände über'n Jordan gingen...
- -
Hier kommt wieder das leidige Lösen der Elkos von der Platine hinzu, denn der Hersteller hat auch hier nicht mit dieser silikonartigen Pampe gespart, die Elkos festzubappen.
Die Platine ist relativ dünn. Aufgrund der Umgebungsbauelemente kommt man mit einem Messer schlecht an die Elkos ran (bzw. drunter), sofern man hierfür kein gebogenes Spezialmesser oder -werkzeug hat. Wenn das mit diesem Pampenmist so weitergeht, muss ich mir glattweg mal ein geeignetes, rechtwinkliges Werkzeug zum Schneiden einfallen lassen. Mit einem beherzten Hebeln mit einer Schraubenzieherklinge schafft man es jedoch, die Elkos wenigstens zu lösen. Vorher kneife ich deren Beinchen durch. Erst jetzt sollten die fünf Befestigungsschrauben des Mainboards gelöst werden.
Sind diverse Steckverbindungen gezogen (Fotos helfen, sich zu merken, wo was steckt) und die Anschlüsse aller Vorröhren abgelötet, so muss die obere Platine mit den Potis abgeschraubt werden und es müssen alle vier Klinkenbuchsen vom Chassis abgeschraubt werden. Netterweise bedient sich der Hersteller zumindest bei meinem Amp der metrischen Norm: Schlüsselweite M13. Sowohl für die Muttern der Klinkenbuchsen als auch für die der Potis.
Ich habe mich für die zweite Variante entschieden.
Der erste IC-Elko ist raus:
Man kommt mit dem Lötkolben an die Unterseite der Platine ran. Die kann mit seiner Oberseite aus dem Chassis heraus schräg und diagonal gegen den Druck der Zuleitungen nach vorn gekippt werden. Passieren tut nichts, vorsichtig sollte man dennoch herangehen, fummelig ist es allemal. Aber es funktioniert. Obacht mit den etwas höher bauenden Radialelkos und den rotbraunen Orange Drops. Die sollten nocht groß verbogen werden.
Im wieder eingebauten und rückgelöteten bzw. -gesteckten Zustand sieht alles dann so aus:
Die grauen IC-Elkos gehen ebenfalls den Weg in die Tonne. Malefizgelump, marsch!
Ergebnis
Das Zischeln und die nervigen Störgeräusche sind nun - wen wundert's - weg. Das hatte ich erwartet. Was ich hingegen nicht erwartet habe: Der Amp ist jetzt klanglich anders als vorher. Er ist frischer geworden, "knackiger", präziser und scheinbar auch einen Ticken tiefer im Bass. Und das, obwohl nach R39 nur noch 22µF statt vorher 44µF zur Verfügung stehen. Für mich ein klares Indiz, wie schlecht die Illinois-Caps bereits waren und wie gut der Bassman von den neuen F+T-Elkos profitiert. Ich kann hier nur mein Unverständnis wiederholen, dass der Hersteller bei einem so relativ teuren Amp an der völlig falschen Stelle sparte.
Eigentlich sehr ärgerlich, dass dem so ist.
Symptome / Fenders Fehler
- Fehler Nummer 1
Zunächst spielte der Amp einwandfrei. Aber bald schon fing er an, immer wieder mal zu zischeln und zu kratzen. So, als wäre einer seiner vier Jensen AlNiCo's kaputt. Zuerst passierte das nur ab und zu, ganz sporadisch. Ich hielt das zunächst für einen Kontaktfehler an einer der Vorröhrenfassungen und nach Säuberung schien der Fehler auch tatsächlich verschwunden zu sein. Aber nein, er trat immer öfters und öfters auf und wurde mit der Zeit dauerhaft störend.
Sehr gut ist das zu hören, wenn man sich auf YT begibt und die beiden Videos zu diesem Bassman '59 LTD von Psionic Audio ansieht und anhört. Zu finden hier (Part 1) und hier (Part 2).
Den "Lapsus", als V1 eine 12AX7 zu verwenden, wo hingegen das Original mit einer 12AY7 arbeitet, hatte ich ja schon seinerzeit erwähnt und ausgebügelt. Zwar zieht eine 12AY7 die Spannung an den Anoden der Röhre ziemlich runter, aber das spielt keine Rolle. Technisch passiert da nichts Beachtenswertes. Aber der Amp kann klanglich nur gewinnen.
- Fehler Nummer 2
Dieser relativ geringe Wert lässt den Preamp bei Belastung "atmen" und man bekommt bei aufgedrehtem Volume eine schnellere An- und Verzerrung in den Ton - genau das, was den Bassman so einzigartig macht.
Schaut man sich nun das Netzteil des RI an:
Zunächst ist an der Beschaltung der Ladeelkos nichts auszusetzen. Das moderne Splitten zusammen mit den 220KOhm-Parallelwiderständen geht völlig in Ordnung. Man beachte nun aber die Elkos nach dem 10KOhm-Siebwiderstand R39! Hier liegen mit C21 und C24 sage und schreibe 44µF an. Das ist der fünffache Wert im Vergleich zum Original. Infolgedessen bekommt man u.a. auch in Verbindung mit der viel höheren Betriebsspannung das, was Psionic Audio in seiner ihm eigenen Art so beschreibt:
"The original basement had eight microfarad. 8 versus 10 you won’t hear a difference. 10 22 this is a 20 arguably there’s a difference arguably the 20 or 22 is a little bit better though maybe less authentic but 44 really that’s
a good way to have a very stiff very very stiff feeling preamp."
Die 44µF... Klar, man kann das selbstverständlich im Sinne von "More Headroom" mögen, warum auch nicht. Aber dann ist es eben nicht mehr ein Bassman mit seiner für ihn so typischen Eigenheit, bei weiter aufgedrehten Volumereglern schnell ins (An-) Zerren zu gelangen.
Lange Zeit dachte ich, das ich u.U. der einzige bin, der mit seinem Bassman in der Wiedergabe dieses Zischel- und Störungsproblem hat. Bis ich rein zufällig in einer Verkaufsannonce zu diesem Amp genau die gleichen, verbalen Schilderungen dazu las. Naja und Psionic Audio bestätigte meine Vermutung hinsichtlich der Filter Caps. Da war ich mir dann sicher.
Also: Raus mit diesen Illinois-Elkos und raus mit C21 oder C24.
Reparatur #1
Baut man zunächst das Chassis aus, so sieht man die gehörigen, schwergewichtigen Klumpen "Eisen" inform des Netz- und Ausgangsübertragers. Das passt, denn wo Leistung rauskommen soll, muss auch entsprechend Material da sein, um Leistung erwirtschaften zu können:
Fender hat hier beim Reissue im Gegensatz zum Original eine nette Dreingabe spendiert. Schraubt man das Chassis mit seinen nur zwei (!) Befestigungsschrauben ab, so muss man nicht befürchten, dass die Schrauben vergrießgnaddelt sind oder dass einem das linksseitig schwere Chassis aus der Hand gleitet:
Es ruht mit seinem Netztrafo auf diesem Winkel, auf den ein Gummipuffer geklebt ist. Feine Sache: Man kann erst links und dann rechts losschrauben und anschließend das Chassis bequem aus dem Combogehäuse ziehen.
Die vier Schrauben vom Doghouse gelöst, Deckel runter und zum Vorschein kommen mir herstellerseitg unbekannte Elkos mit ihren Parallelwiderständen:
Raus mit den Dingern und ausgetauscht gegen qualitativ hochwertige von F+T, von denen ich weiß, was ich habe. Bevor ich eine Platine abschraube, deren Stabilität mir unbekannt ist, löse ich zuerst mit einem scharfen Messer diese Unsitte der silikonähnlichen Pampe, so dass die Elkos frei liegen. Erst dann schraube ich die Platine ab. Hier kann man sie bequem hochklappen, so dass man gut an die Lötseite herankommt:
Das Einlöten der neuen Elkos bereitet keine Schwierigkeiten. Ist ein Lötloch noch zu, so bohre ich es mangels Entlötpumpe und -litze mit meiner kleinen, alten, aber feinen PIKO-Minibohrmaschine und einem passenden Feinbohrer ohne großen Druck auszuüben (die Leiterbahn soll ja nicht abreißen) wieder auf:
Sind die neuen Elkos eingebaut...
... wird das Doghouse wieder verschlossen. Die alten Elkos fliegen in die Tonne. Ist mir egal, ob die "vielleicht noch gut" oder "schon böse" sind.
Teil 1 der Reparatur ist fertig.
Reparatur #2
Dieser Teil geht nicht ganz so einfach vonstatten, wie der erste Teil.
Es gibt zwei Möglichkeiten, die Elkos auszutauschen:
- Abknipsen der Beinchen oben und Anlöten der neuen Elkos (das ist am einfachsten) oder
- Ausbau des Main Boards, um die Elkos komplett auszutauschen.
- Ausbau des Mainboards komplett. D.h. alles muss abgezogen und abgelötet werden, was bei drei nicht schnell genug auf dem Baum ist. Alles, d.h. wirklich alles. Fenders diesbezügliche Einstellung zum Punkt "Service" lässt mich schon ein wenig an der Relativitätstheorie zweifeln.
- Ablöten aller Anschlüsse von allen Vorröhren, desweiteren 1x Gegenkopplung und 2x Heizungsanschlüsse an der linken Endröhrenfassung. Desweiteren müssen diverse (aber nicht alle) Steckverbinder gezogen werden. Welche das sind, sieht man auf dem vorletzten Bild.
- -
Auch wenn es nur ca. 460 Volt sind, die an den Anoden der 6L6 anliegen, aber ist ist eine "harte" Gleichspannung (sofern die 5AR4 als Gleichrichter noch in Ordnung ist). Mir ist es einst mal passiert, dass ich mit einer Prüfspitze zu unbedacht und nicht korrekt an den Anodenpin an einer der beiden 6L6 ranging, sondern dabei zu dicht an den danebenliegenden Pin der Heizspannung kam. Sofort bildete sich durch die Isolierung der am Anodenpin anliegenden Zuleitung zum OT hindurch ein Lichtbogen zum Heizungspin, verbunden mit einem tiefen, lauten Brumm im Amp. Die Heizspannung ist oft mit zwei Widerständen gegen Masse symmetriert. Der Kurzschlußpfad nach Masse hat genügt, dass augenblicklich die beiden Symmetrierwiderstände in Rauch aufgingen. Eine Sicherung im Amp kam nicht (!). So schnell konnte ich nicht mal den Netzstecker ziehen, wie die zwei (und zum Glück nur die beiden!) Widerstände über'n Jordan gingen...
- -
Hier kommt wieder das leidige Lösen der Elkos von der Platine hinzu, denn der Hersteller hat auch hier nicht mit dieser silikonartigen Pampe gespart, die Elkos festzubappen.
Die Platine ist relativ dünn. Aufgrund der Umgebungsbauelemente kommt man mit einem Messer schlecht an die Elkos ran (bzw. drunter), sofern man hierfür kein gebogenes Spezialmesser oder -werkzeug hat. Wenn das mit diesem Pampenmist so weitergeht, muss ich mir glattweg mal ein geeignetes, rechtwinkliges Werkzeug zum Schneiden einfallen lassen. Mit einem beherzten Hebeln mit einer Schraubenzieherklinge schafft man es jedoch, die Elkos wenigstens zu lösen. Vorher kneife ich deren Beinchen durch. Erst jetzt sollten die fünf Befestigungsschrauben des Mainboards gelöst werden.
Sind diverse Steckverbindungen gezogen (Fotos helfen, sich zu merken, wo was steckt) und die Anschlüsse aller Vorröhren abgelötet, so muss die obere Platine mit den Potis abgeschraubt werden und es müssen alle vier Klinkenbuchsen vom Chassis abgeschraubt werden. Netterweise bedient sich der Hersteller zumindest bei meinem Amp der metrischen Norm: Schlüsselweite M13. Sowohl für die Muttern der Klinkenbuchsen als auch für die der Potis.
Ich habe mich für die zweite Variante entschieden.
Der erste IC-Elko ist raus:
Man kommt mit dem Lötkolben an die Unterseite der Platine ran. Die kann mit seiner Oberseite aus dem Chassis heraus schräg und diagonal gegen den Druck der Zuleitungen nach vorn gekippt werden. Passieren tut nichts, vorsichtig sollte man dennoch herangehen, fummelig ist es allemal. Aber es funktioniert. Obacht mit den etwas höher bauenden Radialelkos und den rotbraunen Orange Drops. Die sollten nocht groß verbogen werden.
Im wieder eingebauten und rückgelöteten bzw. -gesteckten Zustand sieht alles dann so aus:
Die grauen IC-Elkos gehen ebenfalls den Weg in die Tonne. Malefizgelump, marsch!
Ergebnis
Das Zischeln und die nervigen Störgeräusche sind nun - wen wundert's - weg. Das hatte ich erwartet. Was ich hingegen nicht erwartet habe: Der Amp ist jetzt klanglich anders als vorher. Er ist frischer geworden, "knackiger", präziser und scheinbar auch einen Ticken tiefer im Bass. Und das, obwohl nach R39 nur noch 22µF statt vorher 44µF zur Verfügung stehen. Für mich ein klares Indiz, wie schlecht die Illinois-Caps bereits waren und wie gut der Bassman von den neuen F+T-Elkos profitiert. Ich kann hier nur mein Unverständnis wiederholen, dass der Hersteller bei einem so relativ teuren Amp an der völlig falschen Stelle sparte.
Zuletzt bearbeitet:

). 