Harley Benton Tube 15 - wird plötzlich stumm - LED leuchtet weiter

N

+Newman+

Registrierter Benutzer
Zuletzt hier
26.02.26
Registriert
23.02.26
Beiträge
9
hallo,
ich habe einen Harley Benton Tube 15. Der funktioniert im Prinzip ganz gut bis auf die Tatsache, dass er nach paar Minuten stumm wird.
Wenn ich dann den Volume Regler etwas aufdrehe, gibt es einen kratzigen Sound und auf einmal ist er wieder da, dann ist er wieder stumm.
Das kann ich immer und immer wiederholen, wobei der Sound kratziger wird und die Lautstärke immer mehr schwankt.
Ich tippe auf die Vorstufenröhren. Ich schätze, die werden wohl nicht alle gleichzeitig abschmieren. Hat jemand ähnliche Probleme (gehabt)?
Welche Empfehlungen könnt Ihr geben? Die einzelnen Röhren mit einer neuen checken und ggf. austauschen?
 

  • Ersteller
  • #3
Der sagt nix, denn ich habe das Gerät nicht von Thomann.
In solchen Fällen ist Thomann kein Ansprechpartner.
 

Leuchteh die Röhren alle in der gleichen Farbe ?
 
Wenn es einen Effekt Loop gibt, den zuerst mal mit einem Kabel überbrücken. Dann zuhören ob der Fehler weg ist ......
 
  • Ersteller
  • #6
Servus,

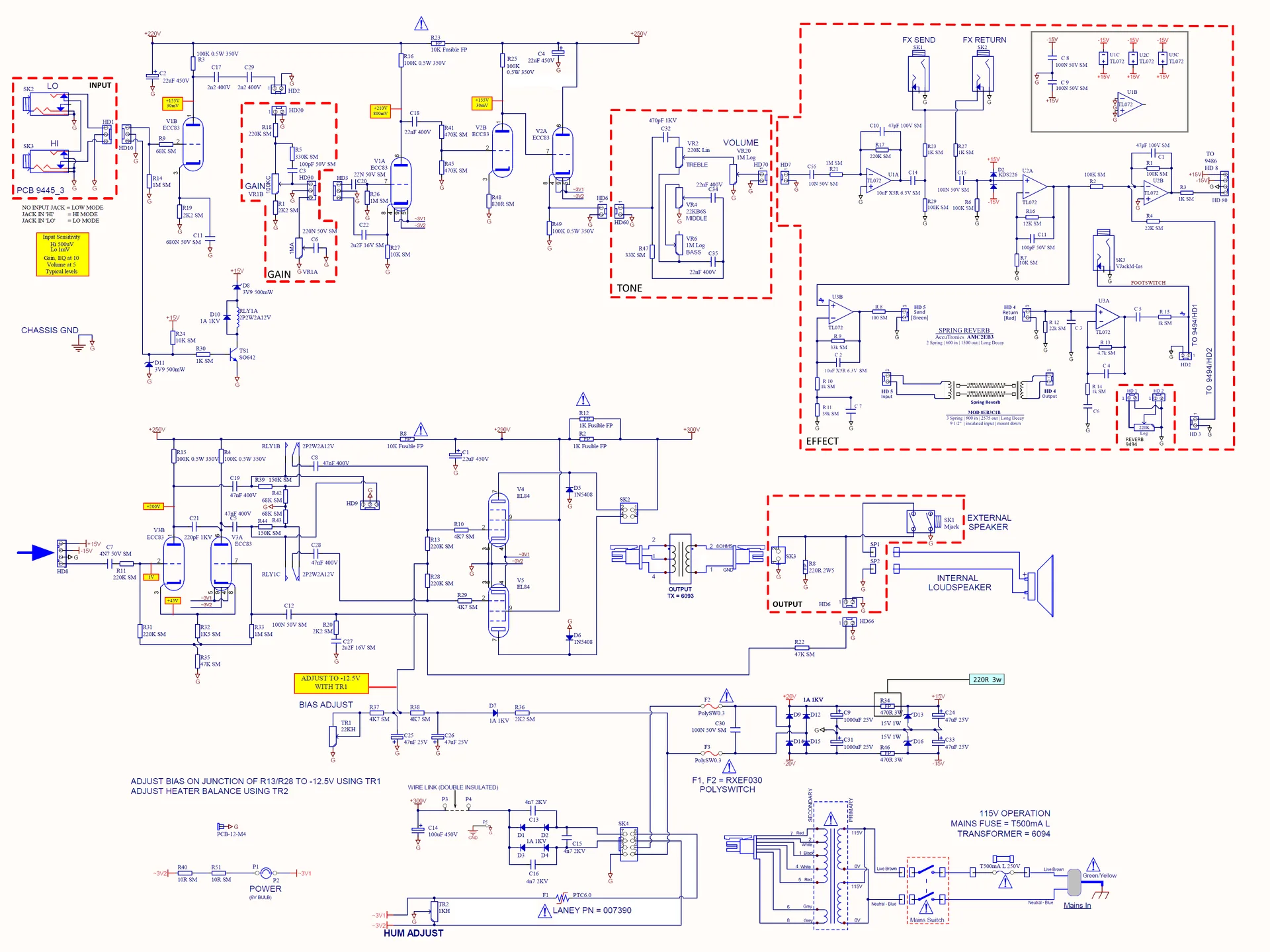
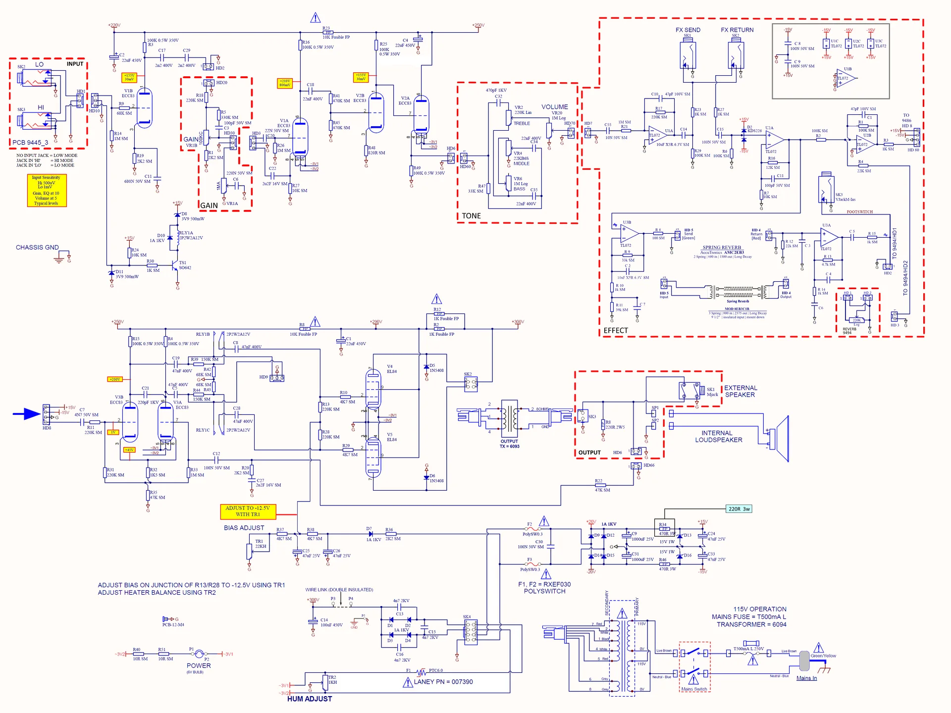
Schematic anbei. Ich tippe aus der Ferne auch erst mal auf Send - Return.

Kürzlich wurde von einem HBT15 berichtet, dessen Netztrafo durchging - eine der Wicklungshälften der Anodenspannungswicklungen war durchgebrannt. Das wird hier sicherlich nicht der Fall sein. ich wollte nur mal von diesem für mich seltenen Fall berichten.

SC_Monoprice_HB_15.webp
 
  • Gefällt mir
Reaktionen: 1 Benutzer
Der sagt nix, denn ich habe das Gerät nicht von Thomann.
In solchen Fällen ist Thomann kein Ansprechpartner.
Wo bekommt man denn noch H & B Geräte her ? Wenn Du ihn gebraucht erworben hast, hilft Thomann doch bestimmt auch.
 
Wo bekommt man denn noch H & B Geräte her ? Wenn Du ihn gebraucht erworben hast, hilft Thomann doch bestimmt auch.
Aus einer Fabrik die einen Teil ihrer Produktion mit HB labelt. Die Gurke gibt es international unter verschiedenen Namen.
Thoman wird das vermutlich so abrechnen wie eine übliche Reparatur nach Ablauf der Garantiezeit.
 
  • Ersteller
  • #10
Servus,

Schematic anbei. Ich tippe aus der Ferne auch erst mal auf Send - Return.

Kürzlich wurde von einem HBT15 berichtet, dessen Netztrafo durchging - eine der Wicklungshälften der Anodenspannungswicklungen war durchgebrannt. Das wird hier sicherlich nicht der Fall sein. ich wollte nur mal von diesem für mich seltenen Fall berichten.

Anhang anzeigen 1021099
Danke! Das ist ganz nützlich.
 
  • Ersteller
  • #11
Dank an alle! Nachdem ich vorgestern mal die Röhren entfernt und wieder eingesetzt hatte, war das Problem noch vorhanden, es wurde leiser bis stumm nach paar Minuten, ich fummelte ein wenig am Volume Poti, der Sound kratzte etwas, dann war der sound wieder da, das ging ein paar mal so, dann blieb es stabil ... bis heute.
Gestern lief er 2 h ohne Probleme und ich kann fast nicht glauben, dass es nur am Poti hing. So alt ist das Ding ja nicht. Ich beobachte weiter und melde mich.
 
  • Gefällt mir
Reaktionen: 1 Benutzer
  • Ersteller
  • #12
Wo bekommt man denn noch H & B Geräte her ? Wenn Du ihn gebraucht erworben hast, hilft Thomann doch bestimmt auch.
Ich hatte mal ein Problem mit dem EBS Micro Bass, nicht bei Thomann gekauft, da gibt es auch keinen Kontakt zu einer Werkstatt. DIe lehnen ab, wenn nicht bei denen gekauft. Ich konnte das Teil dann selbst reparieren.
 
Zuletzt bearbeitet:
  • Ersteller
  • #13
Aus einer Fabrik die einen Teil ihrer Produktion mit HB labelt. Die Gurke gibt es international unter verschiedenen Namen.
Thoman wird das vermutlich so abrechnen wie eine übliche Reparatur nach Ablauf der Garantiezeit.
Nee, die kümmern sich nur, wenn bei Thomann gekauft. Ansonsten gibts keine Infos, Werkstätten, etc.
 
  • #14
  • #15
... ich fummelte ein wenig am Volume Poti, der Sound kratzte etwas ... dann blieb es stabil ...
... ich kann fast nicht glauben, dass es nur am Poti hing. So alt ist das Ding ja nicht...

Hm, dass die Dinger billigst gefertig sind, ist ja bekannt. Ich komme jetzt nicht wieder zum hundertsten Mal mit meiner Tankstellenleier...

Mach' doch folgendes, sofern zur Hand: Spritze mit Kanüle und dann mal das Poti mit etwas Alkohol (Spiritus reicht schon) spülen. Ebenso auch die Send- und Returnbuchse. Mit Kontaktspray-Empfehlungen halte ich mich meistens zurück.
 
  • Gefällt mir
Reaktionen: 1 Benutzer
  • Ersteller
  • #16
Wenn der Fehler nochmal auftritt send und return mit einem Kabel verbinden. Der Fehler tritt, bei fast allen Marken , sehr häufig auf !!
DU hattest Recht! Gerade kam das Problem wieder, Der HB wurde wieder leise bis stumm, habe Send Return gebrückt. Jetzt funzt wieder super! An was kann das liegen? Der Signalweg bei offenem Send Return wird im Schaltplan nicht richtig deutlich.
 
  • #17
Diese Buchsen haben wohl einen Schaltkontakt der einfach oxidiert, verstaubt, nicht mehr korrekt funktioniert.
Kannst das Kabel einfach drin lassen.
 
  • #18
Zumindest der Return.
An Send hängt hier meist das Stimmgerät, da schaltet nix.
 
  • Ersteller
  • #19
Diese Buchsen haben wohl einen Schaltkontakt der einfach oxidiert, verstaubt, nicht mehr korrekt funktioniert.
Kannst das Kabel einfach drin lassen.
Jetzt kapiere ich den Signalweg in der Schaltung. Der "Schalter" ist in der Return-Buchse, wenn Stecker rausgezogen und Kontakt nicht richtig hergestellt ist durch Oxydation, dann entsteht genau das Problem. Top, danke! Jetzt weiß ich, wo ich schrauben muss.
 
  • Gefällt mir
Reaktionen: 1 Benutzer
Zurück
Oben