Ist eine HSS Strat mit 3-Way-Toggle und ohne Tone-Poti möglich?

  • Gefällt mir
Reaktionen: 1 Benutzer
Ich hab auch ne Gitarre mit HSS, wo ursprünglich nur ein standard 2 Wege Toggle ála Les Paul verbaut war, und ein Umbau auf die typischen 5-Wege Fender Schalter wäre ein ziemlicher Aufriss, abgesehen, dass er vom Platz nicht passen würde. Ich hab mir daher diesen Schalter besorgt, der jede Menge Möglichkeiten bietet:
DiMarzio EP 1111

Bin nur aus Zeitgründen nur nicht dazu gekommen, ihn zu verbauen. Wäre aber trotzdem mal interessiert, wie ihr die Optionen mit diesem Schalter für einen HSS sehen würdet.
Das wäre meine momentane Idee:
1769788989166.png
 
  • Gefällt mir
Reaktionen: 4 Benutzer
Stimmt, mit dem EP1111 würde es auch gehen, der bietet auch vier Anschlüsse, die in der Mittelposition nicht aktiv sind.

1769813016890.jpeg


Den habe ich auch schonmal verbaut, der kann 'ne Menge...
 
  • Gefällt mir
  • Interessant
Reaktionen: 3 Benutzer
Genau das ist das Problem, Du kannst in der Mittelschaltung den Bridge PU nicht raus nehmen. Nur via Kurzschluss, dann ist aber auch alles tot.
Na ja, die Les Paul Custom mit 3 HB macht aber genau das, und zwar mit dem speziellen Toggle, den man auf der Abbildung sieht.

Der Knackpunkt ist die abweichende Schaltlogik seiner zweiten Schaltebene - nämlich, dass der zusätzliche, äußere Federkontakt in der Mittelposition offen ist, im Gegensatz zu den inneren Kontaktfedern, die in dieser Stellung - identisch zum Standard - beide Kontakt haben.

Man sieht im Diagramm auch, dass an die zum Standard identischen beiden mittleren Kontakte nicht identisch belegt sind (wie man vielleicht erwarten würde). Stattdessen sind an diese der MiddlePU und der Ausgang zur Klinkenbuchse angeschlossen. Die innersten Kontakte - beim Standard als Ausgang zusammengelötet - sind hier mit dem BridgePU belegt. In der Mittelstellung liegen daher die Hot-Anschlüsse von beiden parallel am Ausgang.

Der Anschluss des NeckPUs hängt währenddessen am äußersten, dem zusätzlichen Federkontakt und damit in der Luft. Sein Kontakt zum Ausgang wird erst hergestellt, wenn der mittlere Kontakt (der dort hinführt) vom Toggle nach außen gebogen wird - was gleichzeitig den Kontakt auftrennt, der vorher Bridge und MiddlePU zum Ausgang geroutet hatte.

In der anderen Außenposition hängt der BridgePU wieder 'in der Luft', und zugleich wird der andere mittlere Kontakt vom inneren Gegenstück weggebogen und dadurch die Parallelverbindung des MiddlePU zum NeckPU aufgetrennt. Erhalten bleibt aber der Kontakt des anderen Innenkontakts zum mittleren Federblech, das am Ausgang hängt - und so hört man den NeckPU solo.

Gruß, bagotrix
 
  • Gefällt mir
Reaktionen: 1 Benutzer
Ich hatte mich mit meiner Aussage auf das Göldo Double Toggle bezogen. Den speziellen Schalter von Gibson habe ich noch in keinem Sortiment gesehen. Das hätte sich auf meiner Festplatte eingebrannt.
Aber der EP1111 bietet ja die Möglichkeit und noch viel, viel mehr. Ich habe den in einer Alden Galactica verbaut (klick).
Der Hebel des Schalters ist kürzer als bei einem normalen Toggle Switch. Dadurch fühlen sich die Schaltwege viel kürzer an. Vielleicht wurden sie bau-technischen auch wirklich verkürzt - es ist jedenhalls gewöhnungsbedürftig.
Die Mittelposition kann während des Spiels nicht mit einer lockeren Handbewegung angesteuert werden, da landet man meist in der gegenüber liegen Außenposition. Und wenn der Schalter quer zum Hals schaltet, kann man mit einem Blick dessen Position nur sehr schlecht erkennen.

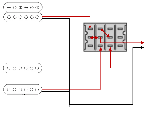
Das wäre meine momentane Idee:
1769788989166.png
So würde in der Mittelposition nur der mittlere Tonabnehmer eingeschaltet. Der Neck PU muss an den gegenüber liegenden Pin, der auch auf den mittleren Pin der dritten Ebene geht. Alternativ kann er auch an den vom Humbucker gegenüber liegenden Pin gelegt werden.
 
Zuletzt bearbeitet:
  • Gefällt mir
Reaktionen: 1 Benutzer
Das klingt doch schon mal vielversprechend!!! Danke euch @dr_rollo und @Ben zen Berg !!!
 
Neuerdings spiele ich aber auch vermehrt funkigeren Kram bei anderen Bands und würde dafür gerne eine Strat nutzen. [...] Leider komme ich so garnicht mit der Platzierung der Knöpfe und des 5-Way-Schalters zurecht, weil ich beim spielen immer dran komme und die PUs umschalte. Wenn ich die unteren Saiten abgedämpft spiele ist der Volume Poti immer im Weg.
Mich stören auch der 5-Way-Schalter und mindestens der obere Regler, wie sie bei Strats i.d.R. verbaut werden.

Als Sounds nutze ich nur drei Positionen: Neck, Neck/Middle, Humbucker.
Allerdings nutze ich für Funk auch gerne den Middle-PU alleine, insb. für Wah. Daher würde ich darauf nicht verzichten wollen.

Bei "Strats" verbaue ich einen 5-Way-Schalter gerne so:
210621_0640_960x960-jpg.805302

Weil ich selber nicht Live spiele, brauche ich keine Regler an der Gitarre. Ansonsten kann man einen Volume-Regler unten noch verbauen, wo er nicht stören sollte.

Bei meiner Jackson PS-7 habe ich den 5-Way-Schalter innerhalb des Pickguards zumindest weiter nach hinten verlegt:
200608_0533_720x960-jpg.747531

Volume und Tone habe ich rausgeschmissen.
 
  • Gefällt mir
Reaktionen: 3 Benutzer
...ich möchte mir eine Partcaster basteln und bräuchte beim Wiring Hilfe von euch.
----
Ich habe mir vor kurzem eine Haar Trad-S mit dem Deml-Set von Kloppmann gekauft.

Glückwunsch zu DIESEM (!) PU-Set von Kloppi! Ich spiele es in meiner Warmoth Stratocaster. Ja der Kloppi, der wickelt was in seine PUs, was andere nicht können :ROFLMAO: ...nach meinem Dafürhalten ;)

Ich habe mir für dieses Set ein spezielles Wiring mit einem Push-/Pull-Poti überlegt. Vielleicht gefällt es Dir ja auch.

Zwei Dinge vorweg: Ich habe in meinem ganzen Gitarristenleben nie mit den Ton-Potis an meinen Gitarren gearbeitet. Den Ton habe ich immer am Amp gedreht. Insofern hat meine Strat keine Tonregelung.
Kloppi selber prädestiniert für das Marcus Deml Errorhead Set einen logarythmischen Volumenpoti bei ~275 KOhm. Es gibt ein Video von ihm im Netz wo er dazu was sagt und wie er z.B. einen 250 KOhm Poti auf seine gewünschten Werte tunen kann. Ich habe das auch mal gemacht, es funktioniert tadellos. Man muss nur den Poti auseinander bauen und wieder zusammen setzen.

Ich benutze seit ~2 Jahren den Bare Knuckle 280K Std. Shaft Split P/P Potentiometer. Das ist ein CTS Poti mit einem Bare Knuckle Brand -> die Firma sitzt in England. Zuvor hatte ich 250 KOhm Potis in meiner Strat. Die 280 Kohm Variante ist um Welten besser!

Schau Dir mein Schaltbild - die "anhängende" PDF-Datei - an.

  • In der Potischalter-Normalstellung Push funktioniert das PU-Set als S-S-S Strat -> der Humbucker ist ständig gesplittet und die Spule mit den Schrauben "spielt hier mit" - auch zusammen mit dem Middle-SC.
  • Ist der Poti "gezogen" in der Pull Position, hast Du eine H-S-S Strat, wobei hier in der 2. Schaltposition der HB wieder gesplittet wird und die Spule mit den Magneten spielt jetzt mit dem Middle-SC zusammen.
Wenn Du diese Konstellation nicht magst und lieber Deine Strat in der Hauptsache als H-S-S Strat spielen möchtest mit der Push-Position -> einfach das Kabel am Kontakt "2" des Schalters an die Position "1" löten und dann "2" mit der Masse verbinden.

Ich persönlich spiele sie aber lieber als S-S-S Strat.
 

Anhänge

  • SSH-Kloppmann-Splitpoti_The Murph.pdf
    86,9 KB · Aufrufe: 25
Zuletzt bearbeitet:
  • Gefällt mir
Reaktionen: 1 Benutzer
Ich hatte mich mit meiner Aussage auf das Göldo Double Toggle bezogen. Den speziellen Schalter von Gibson habe ich noch in keinem Sortiment gesehen. Das hätte sich auf meiner Festplatte eingebrannt.
Ich auch. Der Göldo Toggle unterscheidet sich elektrisch ja nur in sofern, als der asymmetrisch aufgebaute Gibson-Toggle nur einen zusätzlichen Federkontakt hat (weil man mehr nicht braucht), der Göldo aber sogar zwei. Beide sind aber nur um zusätzliche Schichten erweiterte Standard-Toggles.

Schau Dir das Schaltbild noch mal an, der Kniff ist kein andersartiger Schalter, sondern der, dass auch Neck und BridgePU ganz anders angeschlossen sind als bei der LP Std. Recht hast Du mit einem: wenn man versuchen würde, zur Standardbelegung einfach den MiddlePU an den zusätzlichen Kontakten zu addieren, ginge es mit diesem Schalter nicht. Man muss die on/off Kontakte für alle 3 PUs ganz neu denken, und das hat Gibson auch getan. Und dann ermöglicht der Göldo die preisgünstigste Lösung.

Gruß, bagotrix
 
  • Gefällt mir
Reaktionen: 2 Benutzer
Nö, ich kann nicht erkennen, wie das funktionieren sollte. Hier ist das Schaltbild vom Göldo EL33C Double
17788164_800.jpg

Wobei die Darstellung mit 2 x 3 Pins nicht korrekt ist, die verbundenen Pins haben real nur einen Konnektor. Zum besseren Verständnis benenne ich den als Doppelposition.
Anders als beim Tele-Switch fehlt hier die Möglichkeit, in der Mittelposition einfach etwas dazu zu schalten. Das funktioniert nur mit einem Trick. Indem man die Doppelposition der ersten Ebene auf den Eingang der zweiten Ebene legt. Dann wird auf der zweiten Ebene aber ausschließlich in der Mittelposition der Kreis geschlossen.
Damit wären also nur diese beiden Schaltungen möglich:
[A | A&B | nichts]
oder

[nichts | B&C | C]

In einer anderen Reihenfolge wäre es mit diesem Schalter aber machbar:
Pos. 1 -> Humbucker
Pos. 2 -> Neck Pu
Pos. 3 -> Neck & Middle
 
Zuletzt bearbeitet:
  • Gefällt mir
Reaktionen: 3 Benutzer
Ooops, doch es geht:
Ebene A kommt vom Input,
die Einzelposition geht an den Bridge HB
die Doppelposition geht an den Neck SC
und an den Eingang von Ebene B,
deren Doppelposition an den Middle SC geht.

Ich habe @dr_rollo's Grafik einfach mal entsprechend umgebaut:

1769941157009.png
 
Zuletzt bearbeitet:
  • Gefällt mir
Reaktionen: 1 Benutzer
Der original Gibson hat also Fünf Anschlüsse, der Göldo hat sechs?
Das macht den sehr interessant.
Zumal der Paula Optik hat .
Und man nicht raten muss welcher Anschluss was macht.
Ist offen und offensichtlich.
Ideal für hummbucker Split.
 
  • Gefällt mir
Reaktionen: 1 Benutzer
Erst mal ein großes Dankeschön für die zahlreichen Tipps! Ihr habt mir ordentlich weitergeholfen!!!
Sobald ich das gute Stück fertig habe, geb ich hier Bescheid.
Liebe Grüße ✌🏽
 

Unser weiteres Online-Angebot:
Bassic.de · Deejayforum.de · Sequencer.de · Clavio.de · Guitarworld.de · Recording.de

Musiker-Board Logo
Zurück
Oben