K
Kramerama
Registrierter Benutzer
- Zuletzt hier
- 20.02.19
- Registriert
- 19.05.05
- Beiträge
- 734
- Kekse
- 452
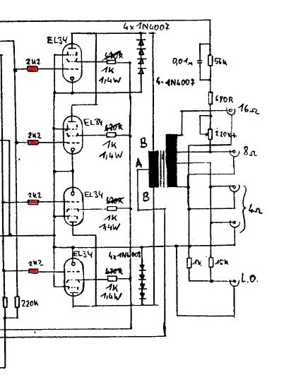
OK - falsche Messmethode.
Bei nem 1R in Reihe wärst nämlich mit ner EL34 ungefähr bei 35mV und ich red nicht von nem
sondern eher von nem
und der R ist auch her sowas
und Messanschlüsse nebst Poti auf die Rückwand hat halt den Vorteilnicht immer den Amp aus dem Case rauszubauen wenn was gemacht gehört.
Bei nem 1R in Reihe wärst nämlich mit ner EL34 ungefähr bei 35mV und ich red nicht von nem
sondern eher von nem
und der R ist auch her sowas
und Messanschlüsse nebst Poti auf die Rückwand hat halt den Vorteilnicht immer den Amp aus dem Case rauszubauen wenn was gemacht gehört.
