- 17.04.26
- 06.12.05
- 8.538
- 162.000
- Kölner Bucht
Durch Zufall lief mir für kleines Geld ein schwarzer, namenloser 6-Saiter zu, der eine ganz passable Saitenlage hatte und wenig benutzt aussah. Zu Hause stellte sich dann heraus, daß die Potis ziemlich kratzten, was darauf schließen ließ, daß er trotz des relativ guten Aussehens schon einige Jahre hinter sich hatte. Eine spätere Netzrecherche ergab dann, daß es sich wohl um das ehemaliges Modell SB26 der koreanischen Shine Music Corporation handelte, daß es auch in dieser Farbe gab...
...und das in Europa auch von Thomann unter dem hauseigenen Handelsnamen Harley Benton vor rund 20 Jahren als Modell HBB600 vertrieben worden war. Die Altersschätzung mit 20 Jahren drängt sich auch deshalb auf, weil z.B. bei talkbass bereits in einem Thread von 2003 über dieses Modell diskutiert wurde.
Das Vorhandensein getrennter Höhen- und Bassregler legte den Verdacht nahe, daß es sich um eine aktive Schaltung handelte, allerdings war nirgends ein Batteriefach zu sehen. Dieses Rätsel löste sich dann bei Entfernen der Elektronik-Abdeckung...
Als Billig(st)modell hatte man wohl auch das Batteriefach einsparen wollen und diese mit ins Elektronikfach verbannt, wo sie auch einigen Platz beanspruchte. Die Schraubenlöcher des Deckels hatten bereits Wurfpassungen und da ich die Schaltung wegen der kratzenden Potis ohnehin austauschen wollte, beschloß ich, ein separates Batteriefach einzubauen und dank des freigewordenen Platzes die 2-Band- gegen eine 3-Band Elektronik zu tauschen.
Auch wenn mir eine Glockenklang Elektronik vom Klang her vermutlich eher zugesagt hätte, sollte die Schaltung in akzeptablem Verhältnis zum Wert des Instrumentes stehen, weshalb ich auf Artec zurückgriff. Zuvor mußte ich aber die Gelegenheit des leeren Elektronikfaches nutzen um es mit Kupferfolie abzuschirmen.
Die Nähte werden verlötet und an der Stelle des ursprünglichen Batteriehalters wird ein zusätzliches Loch für den Mittenregler gebohrt. Da der Deckel des Fachs als einziges bereits eine Art Abschirmung durch Silberfolie hat (die aber nicht geerdet war), wird die Kupferfolie oben am Rand an einer Stelle umgefaltet, wodurch der Deckel bei Montage in Kontakt kommt.
Dann geht es an den Batteriehalter. Zunächst hatte ich einen schmalen Batteriehalter auf dem Schirm, den ich dann auch bereits etwas vorschnell anzeichnete. Dann entschied ich mich aber für einen Batteriekasten, in dem die Batterie flach zu liegen kommt, wodurch der Ausschnitt zwar etwas breiter, dafür aber weniger tief ausfallen muß. Die falsche Anzeichnung wird eh mit ausgefräst, weshalb sie nicht weiter schadet, die neuen Eckpunkte werden mit der Reißnadel eingedrückt. Der wesentliche große Holzabtrag wird in Ermangelung einer echten Fräse mit dem Forstner-Bohrer geschehen, wofür schonmal die Zentrierlöcher gebohrt werden.
Zwischendurch muß immer nachgemessen werden, ob die Senke bereits tief genug ist. Es erzeugt schon ein mulmiges Gefühl, wenn man nur wenige Millimeter vom Durchbruch auf die andere Seite entfernt ist, daher auch die Wahl des weniger tiefen flachen Batteriehalters.
Wenn der Forstnerbohrer seine Arbeit getan hat, muß der Rest - also die gedachte Linie zwischen den mit der Reißnadeln eingeprägten Löchern - mit der Vibrationssäge und der Powerfeile gemacht werden.
Irgendwann ist es tief genug und es muß nur noch der Bohrkanal für das Batteriekabel rein und der Kasten kann montiert werden.
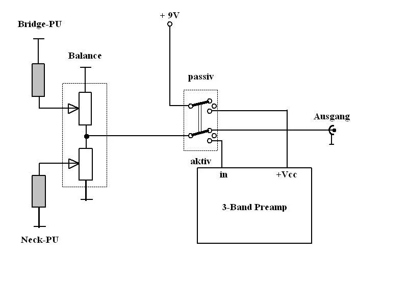
Unterwegs kam mir noch die Idee, einen aktiv/passiv Umschalter einzubauen, Platz genug ist ja jetzt. Ich verwende dazu einen zweipoligen Kipp-Umschalter mit Mittelstellung, bei dem die eine Schaltlinie die Stromversorgung für den Preamp schaltet und die andere Linie die Pickups wahlweise auf den Eingang des Preamps oder direkt auf die Ausgangsbuchse legt. In de Mittelstellung ist keiner der Schaltkontakte miteinander verbunden, die Pickups hängen dann also in der Luft und der Preamp bekommt keine Spannung.
Im Bild ist erst der Zweig angelötet, der die Batterie schaltet. Den Ausgang der Pickups kann man bei dieser Schaltung sehr praktisch hinter dem Balance-Regler abnehmen (rote Ader), für den es eine kleine Extra-Platine gibt.
Im Schaltbild für diese kleine Änderung ist der Umschalter in Schaltstellung 'passiv' gezeichnet: die 9V werden nicht zum Preamp durchgeschaltet und das Summensignal der Pickups legt direkt an der Ausgangsbuchse.
Das ist natürlich eine sehr rudimentäre Not-Schaltung, weil in Passiv-Schaltstellung keinerlei Lautstärke- oder Klangregelung möglich ist, bei einer leeren Batterie aber sicher ausreichend hilfreich... dann muß eben mit dem Verstärker geregelt werden.
Grundsätzlich wäre es schon möglich, auch im Passiv-Modus Klang- und Volumenreglung anzubieten. Dafür müßten dann beim Lautstärkeregler und einem der Klangregler jeweils ein Tandem-Poti verwendet werden, dessen Zweitgehäuse jeweils die Regelung im Passiv-Modus übernimmt. Ein gewisses Problem ergibt sich aber dadurch, daß es Tandem-Potis in aller Regel nur mit gleichen Widerstandswerten gibt, die erforderlichen Werte sich aber bei Aktiv- und Passivschaltung stark unterscheiden. So benötigt man in einer Passivschaltung z.B. für den Volume-Regler 250 oder gar 500kOhm, weil man die parallel liegenden Tonabnehmer nicht mit geringeren Werten quasi kurzschließen will, in einer Aktivschaltung hat das Volume-Poti aber z. B. nur 10kOhm, weil lediglich die Vorspannung des Operationsverstärkers beeinflußt werden soll. Ließe sich also ein Doppelpotentiometer auftreiben, dessen vorderes Gehäuse 10kOhm und dessen hinteres Gehäuse 250kOhm hätte, wäre es kein Problem. Solche Potis gibt es zwar, es sind aber meistens Sonderanfertigungen auf Herstellerwunsch für bestimmte Geräte, also eher nicht im freien Handel erhältlich.
Nach der Änderung hat sich die Optik nur geringfügig geändert: auf der Rückseite gibt es jetzt ein Batteriefach und auf der Vorderseite außer neuen Saiten einen zusätzlichen Mittenregler und einen Schalter mehr. Der Schalter hat übrigens noch den kleinen Seiteneffekt, daß man das Klinkenkabel eingesteckt lassen kann, ohne daß die Batterie sich entlädt... wenn man denn am Kippschalter ausgeschaltet hat.
...und das in Europa auch von Thomann unter dem hauseigenen Handelsnamen Harley Benton vor rund 20 Jahren als Modell HBB600 vertrieben worden war. Die Altersschätzung mit 20 Jahren drängt sich auch deshalb auf, weil z.B. bei talkbass bereits in einem Thread von 2003 über dieses Modell diskutiert wurde.
Das Vorhandensein getrennter Höhen- und Bassregler legte den Verdacht nahe, daß es sich um eine aktive Schaltung handelte, allerdings war nirgends ein Batteriefach zu sehen. Dieses Rätsel löste sich dann bei Entfernen der Elektronik-Abdeckung...
Als Billig(st)modell hatte man wohl auch das Batteriefach einsparen wollen und diese mit ins Elektronikfach verbannt, wo sie auch einigen Platz beanspruchte. Die Schraubenlöcher des Deckels hatten bereits Wurfpassungen und da ich die Schaltung wegen der kratzenden Potis ohnehin austauschen wollte, beschloß ich, ein separates Batteriefach einzubauen und dank des freigewordenen Platzes die 2-Band- gegen eine 3-Band Elektronik zu tauschen.
Auch wenn mir eine Glockenklang Elektronik vom Klang her vermutlich eher zugesagt hätte, sollte die Schaltung in akzeptablem Verhältnis zum Wert des Instrumentes stehen, weshalb ich auf Artec zurückgriff. Zuvor mußte ich aber die Gelegenheit des leeren Elektronikfaches nutzen um es mit Kupferfolie abzuschirmen.
Die Nähte werden verlötet und an der Stelle des ursprünglichen Batteriehalters wird ein zusätzliches Loch für den Mittenregler gebohrt. Da der Deckel des Fachs als einziges bereits eine Art Abschirmung durch Silberfolie hat (die aber nicht geerdet war), wird die Kupferfolie oben am Rand an einer Stelle umgefaltet, wodurch der Deckel bei Montage in Kontakt kommt.
Dann geht es an den Batteriehalter. Zunächst hatte ich einen schmalen Batteriehalter auf dem Schirm, den ich dann auch bereits etwas vorschnell anzeichnete. Dann entschied ich mich aber für einen Batteriekasten, in dem die Batterie flach zu liegen kommt, wodurch der Ausschnitt zwar etwas breiter, dafür aber weniger tief ausfallen muß. Die falsche Anzeichnung wird eh mit ausgefräst, weshalb sie nicht weiter schadet, die neuen Eckpunkte werden mit der Reißnadel eingedrückt. Der wesentliche große Holzabtrag wird in Ermangelung einer echten Fräse mit dem Forstner-Bohrer geschehen, wofür schonmal die Zentrierlöcher gebohrt werden.
Zwischendurch muß immer nachgemessen werden, ob die Senke bereits tief genug ist. Es erzeugt schon ein mulmiges Gefühl, wenn man nur wenige Millimeter vom Durchbruch auf die andere Seite entfernt ist, daher auch die Wahl des weniger tiefen flachen Batteriehalters.
Wenn der Forstnerbohrer seine Arbeit getan hat, muß der Rest - also die gedachte Linie zwischen den mit der Reißnadeln eingeprägten Löchern - mit der Vibrationssäge und der Powerfeile gemacht werden.
Irgendwann ist es tief genug und es muß nur noch der Bohrkanal für das Batteriekabel rein und der Kasten kann montiert werden.
Unterwegs kam mir noch die Idee, einen aktiv/passiv Umschalter einzubauen, Platz genug ist ja jetzt. Ich verwende dazu einen zweipoligen Kipp-Umschalter mit Mittelstellung, bei dem die eine Schaltlinie die Stromversorgung für den Preamp schaltet und die andere Linie die Pickups wahlweise auf den Eingang des Preamps oder direkt auf die Ausgangsbuchse legt. In de Mittelstellung ist keiner der Schaltkontakte miteinander verbunden, die Pickups hängen dann also in der Luft und der Preamp bekommt keine Spannung.
Im Bild ist erst der Zweig angelötet, der die Batterie schaltet. Den Ausgang der Pickups kann man bei dieser Schaltung sehr praktisch hinter dem Balance-Regler abnehmen (rote Ader), für den es eine kleine Extra-Platine gibt.
Im Schaltbild für diese kleine Änderung ist der Umschalter in Schaltstellung 'passiv' gezeichnet: die 9V werden nicht zum Preamp durchgeschaltet und das Summensignal der Pickups legt direkt an der Ausgangsbuchse.
Das ist natürlich eine sehr rudimentäre Not-Schaltung, weil in Passiv-Schaltstellung keinerlei Lautstärke- oder Klangregelung möglich ist, bei einer leeren Batterie aber sicher ausreichend hilfreich... dann muß eben mit dem Verstärker geregelt werden.
Grundsätzlich wäre es schon möglich, auch im Passiv-Modus Klang- und Volumenreglung anzubieten. Dafür müßten dann beim Lautstärkeregler und einem der Klangregler jeweils ein Tandem-Poti verwendet werden, dessen Zweitgehäuse jeweils die Regelung im Passiv-Modus übernimmt. Ein gewisses Problem ergibt sich aber dadurch, daß es Tandem-Potis in aller Regel nur mit gleichen Widerstandswerten gibt, die erforderlichen Werte sich aber bei Aktiv- und Passivschaltung stark unterscheiden. So benötigt man in einer Passivschaltung z.B. für den Volume-Regler 250 oder gar 500kOhm, weil man die parallel liegenden Tonabnehmer nicht mit geringeren Werten quasi kurzschließen will, in einer Aktivschaltung hat das Volume-Poti aber z. B. nur 10kOhm, weil lediglich die Vorspannung des Operationsverstärkers beeinflußt werden soll. Ließe sich also ein Doppelpotentiometer auftreiben, dessen vorderes Gehäuse 10kOhm und dessen hinteres Gehäuse 250kOhm hätte, wäre es kein Problem. Solche Potis gibt es zwar, es sind aber meistens Sonderanfertigungen auf Herstellerwunsch für bestimmte Geräte, also eher nicht im freien Handel erhältlich.
Nach der Änderung hat sich die Optik nur geringfügig geändert: auf der Rückseite gibt es jetzt ein Batteriefach und auf der Vorderseite außer neuen Saiten einen zusätzlichen Mittenregler und einen Schalter mehr. Der Schalter hat übrigens noch den kleinen Seiteneffekt, daß man das Klinkenkabel eingesteckt lassen kann, ohne daß die Batterie sich entlädt... wenn man denn am Kippschalter ausgeschaltet hat.
- Eigenschaft