L
LiveinBerkum
Registrierter Benutzer
- 23.12.13
- 11.06.09
- 66
Hallo zusammen!
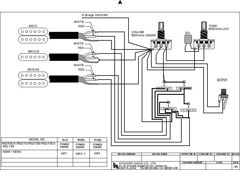
Habe mich zu einem Komplettumbau meiner Ibanez RG370 entschieden und bin jetzt schlussendlich bei der Elektronik angekommen.
Hierbei haperts aber noch ein bisschen, und zwar versuche ich folgende Schaltung zu realisieren (H-S-H) :
1. Bridge Humbucker
2. Bridge Singlecoil + Middle Singlecoil ( rauscharm )
3. Bridge Singlecoil + Neck Singlecoil ( ebenfalls rauscharm, etwas Tele-mäßig )
4. Middle Singlecoil + Neck Singlecoil ( rauscharm )
5. Neck Humbucker
Könnte mir da jemand ein paar Hilfestellungen geben??
Danke im Voraus!
Gruß, Lukas
PS: Das ist mein erster Post also seid gnädig ;-)
---------- Post hinzugefügt um 17:08:35 ---------- Letzter Beitrag war um 17:06:56 ----------
ist übrigens der Switch mit Platinenbauweise vom großen T
Habe mich zu einem Komplettumbau meiner Ibanez RG370 entschieden und bin jetzt schlussendlich bei der Elektronik angekommen.
Hierbei haperts aber noch ein bisschen, und zwar versuche ich folgende Schaltung zu realisieren (H-S-H) :
1. Bridge Humbucker
2. Bridge Singlecoil + Middle Singlecoil ( rauscharm )
3. Bridge Singlecoil + Neck Singlecoil ( ebenfalls rauscharm, etwas Tele-mäßig )
4. Middle Singlecoil + Neck Singlecoil ( rauscharm )
5. Neck Humbucker
Könnte mir da jemand ein paar Hilfestellungen geben??
Danke im Voraus!
Gruß, Lukas
PS: Das ist mein erster Post also seid gnädig ;-)
---------- Post hinzugefügt um 17:08:35 ---------- Letzter Beitrag war um 17:06:56 ----------
ist übrigens der Switch mit Platinenbauweise vom großen T
- Eigenschaft



