3 Humbucker verschalten

  • Ersteller Ersteller effexxx
  • Erstellt am Erstellt am
effexxx

effexxx

Registrierter Benutzer
Zuletzt hier
23.08.11
Registriert
13.01.09
Beiträge
128
Kekse
200
Ort
Aschaffenburg
Hi,
ich bin neu hier, also habt bitte Nachsicht, ich verspreche auch, dass ich die SuFu verwendet habe....🙂
Zum Punkt:
Ich baue gerade an meiner ersten eigenen Gitarre rum, und nun steht die Elektronik an.
Ich habe mich dazu entschlossen, drei Splitbare GFS-Humbucker zu verbauen.
Im Prinzip gehe ich von einer normalen Les Paul-Schaltung aus, den mittleren Pickup möchte ich zusammen mit dem Neck-Pickup an die Rhythm-Position hängen und das Monster mit zwei zusätzlichen Reglern (-> 3x Vol & 3x Tone) versehen.
Die drei Tone-Potis sind dann Push/Pull, so dass jeder PU einzeln zwischen Parallel/Seriell geschaltet werden kann.

So viel zur Theorie meiner absolut universellen 26-Stellungs-Beschaltung...
Mein nicht vorhandener Erfahrungsschatz allerdings sagt mir, dass das schon aus Prinzip nicht einfach so funktionieren wird, von daher meine Frage:

Was könnten für Probleme auf mich zukommen? Muss ich etwa etwas zur Phasenlage beachten? Ich hab hier schon gefunden, wie etwa die Epiphone SG's/Les Pauls verschaltet sind, aber das entspricht ja nun nicht dem, was ich mir vorstelle. Auch die "lustigen Leitungen" helfen mir nicht weiter...

Danke erstmal für eure Hilfe, im Anhang, wie ich mir die Schaltung vorstelle, zwar mit SD-Pickups, allerdings sollten meine ebenfalls so verschaltet werden können...?

Gruß Effe

Ach ja, zusätzlich kommt da noch ein Kill-Taster dazu mit dem der Output quasi kurzgeschlossen wird, aber das sollte wohl kein Problem sein?
 
Eigenschaft
 

Anhänge

  • wiring_3.webp
    wiring_3.webp
    54,8 KB · Aufrufe: 1.160

Es wäre sehr empfehlenswert, die Volumepotis für Middle- und Neckpickup reverse zu verkabeln (siehe Jazzbass), da sonst der eine, wenn der andere ganz abgedreht ist, auch still ist.

MfG Fabian
 
Drei passive Humbucker würde ich nicht machen.
Das könnte eine unsaubere Saitenschwingung verursachen, wegen der magnetischen Kräfte.

Das Phänomen wird Stratitis genannt; scheint also schon bei drei starken Single-Coils aufzutauchen.
Allerdings gibt's ja auch die Gibson Black Beauty...???
 

  • Ersteller
  • #4
Danke erstmal für die Meinungen,
ob jetzt drei Humbucker oder nicht steht erst mal ausser Frage, die Löcher sind gefräst, einfach weils genug Beispiele gibt, die scheinbar funktionieren...Vieleicht nicht ohne Kompromisse, aber sie funktionieren...
Das heißt also ich sollte den mittleren reverse verkabeln? Woher kommt das denn, dass wenn ich bei der Schaltung einen abdrehe, der andere mitgeht?

Gruß Effe
 
Hab ne SG mit drei Humbuckern, wovon ich auch einen nachgerüstet habe. die saitenschwingung hat sich nicht verändert.
zeig mal foto von der klampfe!
 
  • Ersteller
  • #6
Die Brocken sind angekommen...Ich mach jetzt einfach mal...Fotos gibts natürlich, wenn sie fertig ist, aber nicht zu viel erwarten, schöne Gitarren hab ich schon, was ich hier gerade mache, ist Frankenstein spielen, das heißt ich versuche, ein Monster zum Leben zu erwecken.
Sie wird nicht schön werden, sollte sie auch nie 🙄, die Farbe variiert je nach Blickwinkel zwischen schwarz-Gelb und Ko**grün, drei Zebrabucker eng zusammengequetscht, sechs Knöpfe, drei schwarz, drei weiß, mieses Finish, genau wie ich mir mein Erstlingswerk immer gewünscht habe.

Zitat:
"die Volumepotis für Middle- und Neckpickup reverse zu verkabeln (siehe Jazzbass)"...Sorry, ich habs noch nicht verstanden:
Wie meinst denn, soll ich das Volume vom mittleren anschließen? Den Jazzbass kenn ich nur "ganz normal" also nix reverse oder eben mit Blendregler statt dem zweiten Volume, aber das ist ja nicht was ich möchte...?

Gruß Effe
 
Hi!

Er meint, dass du das Poti anders belegen sollst. Normalerweise ist einer der äußeren Pins der Eingan, der andere äußere Pin ist die Masse und in der Mitte ist der Ausgang vom Poti. Du müsstest nun einfach Ein- und Ausgang vertauschen. Allerdings wird dir das (bei passiven PUs und ohne aktive Elektronik) relativ stark die Höhen dämpfen, wenn das Poti nicht voll aufgedreht ist. Da sollte evtl noch jeweils nen kleiner Kondensator zwischen Ein- und Ausgang. Mit Werten musste etwas rumexperimentieren. Geh mal so von 220pF aus. Am leichtestens kannste das testen, wenn du dir sowas besorgst. Davon schließt du je eine an Ein- und Ausgang des Potis und kannst zwischen die beiden freien Enden dann verschiedene Kondensatoren stecken.

MfG
 
  • Ersteller
  • #8
Alles klar, vielen Dank, ich stand nur etwas auf dem Schlauch...C's hab ich genuch im Schrank, da kanns jetz losgehn...
Danke noch mal, ich berichte,
Gruß
 
  • Ersteller
  • #10
Hi!

Allerdings wird dir das (bei passiven PUs und ohne aktive Elektronik) relativ stark die Höhen dämpfen, wenn das Poti nicht voll aufgedreht ist. Da sollte evtl noch jeweils nen kleiner Kondensator zwischen Ein- und Ausgang. Mit Werten musste etwas rumexperimentieren. Geh mal so von 220pF aus.
MfG

So ich hab grad was weiter umgebaut. Das mit den C's hatt ich bis jetzt nicht in Angriff genommen. Ich steh auch noch etwas auf dem Schlauch was das angeht:

- Ich habe jetzt alle drei Potis umgekehrt als auf dem Schaltplan angeschlossen, was zur Folge hatte, das ich sie so (und nur so) unabhängig voneinander nutzen kann.

-Was genau dämpft meine Höhen denn eigentlich? Ich steig da in Moment nicht durch

Eigentlich hab ich noch ein paar Fragen, aber ich hoffe die entfallen, wenn ich mal verstanden habe, worums geht...

Gruß und Danke
 
  • Ersteller
  • #11
Sorry für den mehrfachpost, ich will meine Frage noch mal spezifizieren:

Nach dem mir der Grund des Tone-Verlusts bisher weiterhin unklar ist, stellt sich mir die Frage, ob ich die Kondensatoren auch weglassen kann, wenn die Gitarre mit der Impendanzwandlung versehen wird?

Danks
 
  • #12
Zur Frage nach dem Warum, da ist hier ganz gu beschrieben: http://www.rockinger.com/index.php?page=ROC_Workshop_Potis

Kondensatoren sind ja, wie du wahrscheinlich weißt, für hohe Frequenzen kein Problem, stellen für tiefere Frequenzen aber ein unberwindbares Hindernis da. Je höher der Wert um so tiefere Frequenzen schaffen es über den Kondensator.
Wenn du nun den Kondenstaor zwischen Ein- und Ausgang lötest, dann müsen sich die hohen Frequenzen nicht durch die Kohlebahn des Potis quälen , sondern nehmen den Schleichweg über den Kondensator. Nur die tiefen Frquenzen sind zu fett für den Schmalen C-Weg und müssen über die Kohlebahn. Das führt dazu, dass die tiefen Frequenzen stärker runtergeregelt werden und die Höhen so beim runterregeln erhalten bleiben.
Ob das aber bei so einer Potibelegung auch klappt, weiß ich nicht sicher. Da Kondensatoren ja aber nicht die Welt kosten, lässt sich das gut und günstig ausprobieren 😉

Zur Frage nach dem Impedanzwanler: Jup! Mit Impedanzwandler kannst du diesen Effekt umgehen. Frag mich aber bitte nicht warum :D Das können dir Leute, wie der Onkel, besser erklären 🙂

MfG
 
  • Ersteller
  • #13
Super,
danke für die Erklärung, das heißt im Umkehrschluss , dass der Kondensator um so mehr Wirkung zeigt, je weiter runter das Poti gedreht ist, evtl. bis zu dem Punkt, an dem die hochfrequenten Teile massiv überhöht dargestellt werden. Also bei entsprechender Kondensatorauslegung mein ich...Und eigentlich dann auch kein Vol = 0 Zustand mehr herrscht, sondern immer noch Höhen vorhanden sind?
Oder kann man davon ausgehen, dass sich das in der Praxis so nicht bemerkbar macht?
Gruß
 
Zuletzt bearbeitet:
  • #14
das heißt im Umkehrschluss , dass der Kondensator um so mehr Wirkung zeigt, je weiter runter das Poti gedreht ist, evtl. bis zu dem Punkt, an dem die hochfrequenten Teile massiv überhöht dargestellt werden.

Soweit die theorie, ja. Inwiefern das dann wirklich hoerbar ist, musst du ausprobieren.

Und eigentlich dann auch kein Vol = 0 Zustand mehr herrscht, sondern immer noch Höhen vorhanden sind?

Nein. Bei zugedrehtem Poti hast du eine quasi widerstandslose Verbindung zu Masse und da Strom immer den Weg des geringsten Widerstandes geht (da soll mal einer sagen, Elektronen seien nicht intelligent!), ist das auch wo dein Signal hingeht. => Vol 0.
 
  • Ersteller
  • #15
Gut, danke. Die SD_Pläne helfen beim verkabeln, leider nicht fürs Verständnis, ich hab mir jetzt ersatzweise mal nen Schaltplan gebastelt und siehe da verstanden...vieleicht, also Bitte um Absegnung...

Oben im Bild ist eine herkömmliche verschaltung von 1Pu 1Vol 1Tone,
unten die mit "verkehrtem" Volume-Poti und zusätzlichem Kondensator, jeweils mit fast abgedrehtem Tone und Volume.

Ich hab jetzt mal nur einen PU drin, mir ist soweit aber klar, weshalb erste Verschaltung bei mir alle drei Volume-Potis zum Stummschalten braucht. Bei aufgedrehten Volume sind die Schaltungen (In der Wirkung) identisch, der Kondensator ist dann sowieso gebrückt. Der Sinn der C's bei nicht voll aufgedrehtem Volume als bypass für die Höhen ist mir jetzt auch klar.
So:
- Bei Poti in Halbstellung besteht der einzige Unterschied (wenn man sich den neuen C mal weg denkt) darin, dass Pu und Jack in Bild über die kompletten 500K des Vol-Potis nach Masse gehen ist, in Schaltung zwei nur noch über R8, also die untere Hälfte des Potis, richtig?

- Und das sorgt für den Höhenverlust?

Danke für die Aufklärung, ich bin eben immer recht froh, wenn ich weiß was ich da tue...Man kennt ja den alten Schinken mit James Dean, "Denn sie wissen nicht was sie tun", da gehts am Ende auch abwärts...

Gruß
 

Anhänge

  • wiring_sp.webp
    wiring_sp.webp
    21 KB · Aufrufe: 319
  • Ersteller
  • #16
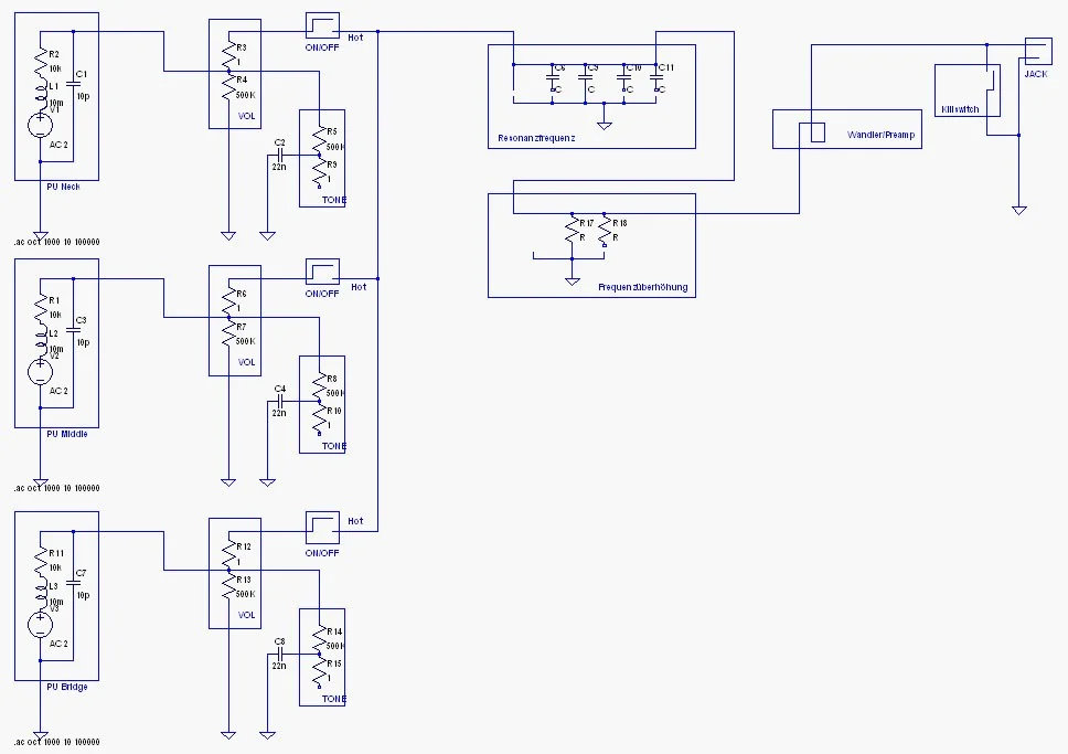
Leider kann ich keine Anhänge mehr einfügen, also hier noch mal die Gesamtverschaltun, wie ich mir sie vorstelle, also umgekehrte Potis ohne extra Kondensatoren, dafür am Ausgang Wahlschalter für C's und R's, aktive Elektronik. Den Killswitch habe ich falsch eingezeichnet, den würde ich vor den Wandler schalten.

So gut?

Gruß

Edit: Hab das mit den ANhängen grad gefunden, sorry...
 

Anhänge

  • wiring_aktiv.webp
    wiring_aktiv.webp
    32,8 KB · Aufrufe: 341
  • #17
- Bei Poti in Halbstellung besteht der einzige Unterschied (wenn man sich den neuen C mal weg denkt) darin, dass Pu und Jack in Bild über die kompletten 500K des Vol-Potis nach Masse gehen ist, in Schaltung zwei nur noch über R8, also die untere Hälfte des Potis, richtig?

- Und das sorgt für den Höhenverlust?

Jau. Dieser Thread koennte vielleicht ganz hilfreich sein...


Leider kann ich keine Anhänge mehr einfügen, also hier noch mal die Gesamtverschaltun, wie ich mir sie vorstelle, also umgekehrte Potis ohne extra Kondensatoren, dafür am Ausgang Wahlschalter für C's und R's, aktive Elektronik. Den Killswitch habe ich falsch eingezeichnet, den würde ich vor den Wandler schalten.

So gut?

Jein. Also das wird so sicher funktionieren, ich fuerchte aber, dass dir die Cs und Rs am Ende wenig bringen, da die Pickups ja schon vorher durch die drei Vol- und Toneblenden belastet werden, die ja alle parallel geschaltet sind! Mit anderen Worten die Resonanzfrequenz - und ueberhoehung wird auch ohne die Cs und Rs am Ende betraechtlich heruntergezogen.

Aber da fragst du am Besten mal unseren lieben Onkel, der hat mir damals auch bei meiner aktiven Schaltung geholfen.

Und wo ist der Coil-Split? Und die Vol-Kondensatoren? :screwy:
 
Zuletzt bearbeitet:
  • Ersteller
  • #18
Danke der ausführlichen Antwort!
Also den Coil-Split hab ich der Übersichtlichkeit halber mal weggelassen, weil sich meine Vorstellung ja darauf bezog, dass sich ohnehin alles neue nach den Volumes und Tones befindet, da hätte es dann keine Rolle mehr gespielt, ob was gesplittet ist oder nicht.

Das is ja Mist, würde das heißen, das ich für jeden PU einzeln nen Schalter für die R's und C's zum Ändern des Übertragungsverhalten bräuchte? Das wär dann auf jeden Fall das KO für die Verschaltung...Da würd ich dann lieber die extra C's und R's weglassen und direkt auf den Wandler gehen. Wäre das die Lösung?

Und könnte ich mir dann trotzdem die C's für die Volume-Potis sparen? Die habe ich deshalb weggelassen, weil die Aussage stand (steht?), dass ich das durch die Umkehrung der Poti entstandene "dumpfe" Verhalten auch durch die aktive Verschaltung in den Griff bekommen könnte. Falsch gedacht?

Was würd ich ohne euch machen :D
 
  • #19
Also so, wie dein Impedanzwandler im Moment liegt, bringt dir das nix. Der muss zwischen die PUs und die Potis. Da du jeden Tonabnehmer unabhängig Impedanzwandeln musst brauchst du auch für jeden einen separaten ein- und ausgang. Möglich wäre das mit einem doppel-IC und einem einfach-IC TL061 und TL062 zB oder du nimmst einen, der mindestens drei separate "kanäle" hat.
Übrigens solltest du dann auch mal mit verschiedenen Potiwerten experimentieren. du hast ja quasi deine PUs aktiv gemacht, brauchst also Poti, die auf aktive PUs passen. ~25k dürfte da nen guter Wert sein.

MfG
 
  • #20
Übrigens solltest du dann auch mal mit verschiedenen Potiwerten experimentieren. du hast ja quasi deine PUs aktiv gemacht, brauchst also Poti, die auf aktive PUs passen. ~25k dürfte da nen guter Wert sein.

Es sei denn du nimmst zwei Doppel-ICs und baust damit drei Vorverstaerker zwischen Poti und Pickups und noch einen Impedanzwandler zwischen Poti und Buchse... :great:
 
Zurück
Oben